OEM SMA RF Coaxial Connector Supplier

ขั้วต่อ SMA

คำอธิบาย:

ตัวเชื่อมต่อโคแอกเซียล SMA RF เป็นตัวเชื่อมต่อโคแอกเซียล RF ที่มีกลไกการเชื่อมต่อแบบเกลียวที่พัฒนาและผลิตตามมาตรฐานกองทัพสหรัฐฯ MIL-C-39012 มีข้อดีคือมีขนาดเล็ก แบนด์วิธกว้าง ประสิทธิภาพทางกลและทางไฟฟ้าที่ดีเยี่ยม และความน่าเชื่อถือสูง เป็นหนึ่งในตัวเชื่อมต่อ RF ที่ใช้กันอย่างแพร่หลายที่สุด มีการใช้กันอย่างแพร่หลายในการสื่อสารด้วยไมโครเวฟ การบินและอวกาศ ระบบอาวุธ อุปกรณ์ตรวจวัดด้วยไมโครเวฟ และสาขาอื่นๆ

พารามิเตอร์:

ข้อมูลจำเพาะทางเทคนิคหลัก:
◆ ลักษณะความต้านทาน: 50Ω
◆ ช่วงความถี่: DC–26.5GHz
◆ ความต้านทานของฉนวน: ≥5000MΩ
◆ แรงดันไฟฟ้าทนต่ออิเล็กทริก: 1000V(rms)
◆ อัตราส่วนคลื่นนิ่งแรงดันไฟฟ้า (VSWR): ≤1.25
◆ รอบการผสมพันธุ์: 500 ครั้ง

สอบถาม
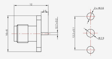
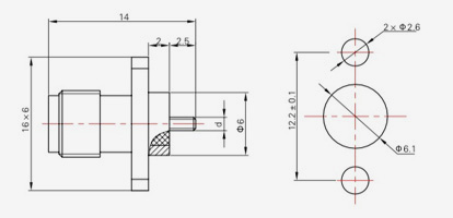
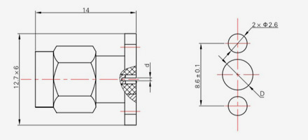
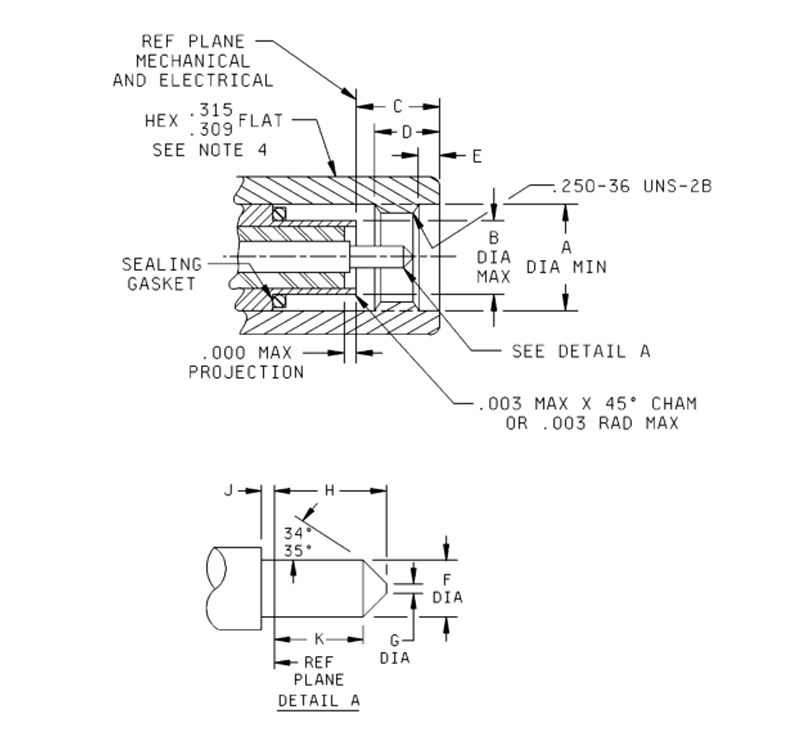
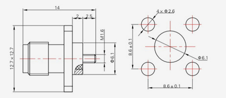
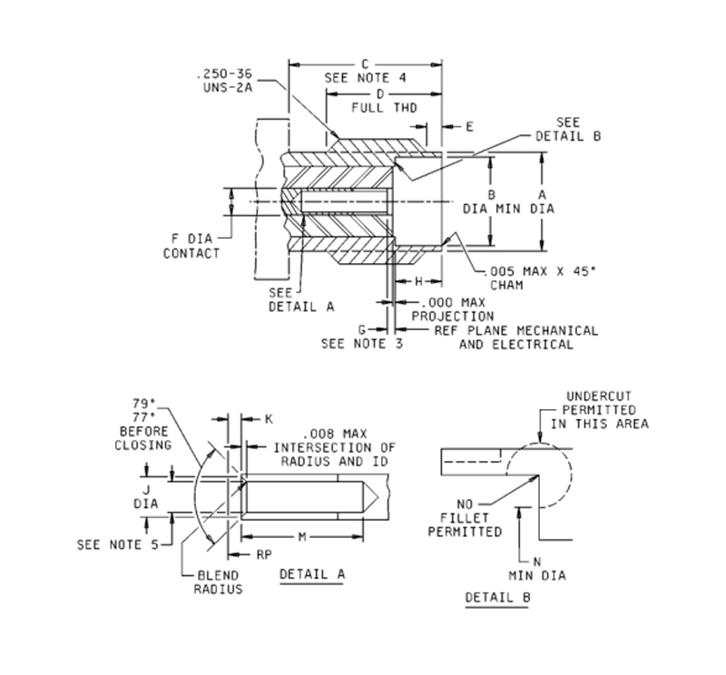
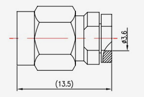
  • ขนาดอินเทอร์เฟซตัวเชื่อมต่อ Sมก ชาย / ปลั๊กตัวเชื่อมต่อ

สลัว
ร.ต.
นิ้ว(มิลลิเมตร)
นาที. สูงสุด
.255(6.48) -
บี - .1808(4.59)
- .135(3.43)
ดี .130(3.30) -
อี .015(0.38) .045(1.14)
เอฟ .0355(0.90) .0370(0.94)
- .012(0.30)
ชม - .100(2.54)
เจ .000(0.00) -
เค .050(1.27) -

หมายเหตุ:
1.ขนาดเป็นนิ้ว
2. ค่าเทียบเท่าเมตริกมีไว้เพื่อเป็นข้อมูลเท่านั้น
3. ส่วนต่อประสานของตัวเชื่อมต่อ (หลังจากผสมพันธุ์) จะต้องปราศจากฝุ่นและความชื้น
4. อาจขยายได้ตลอดความยาวของน็อตข้อต่อ



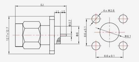
  • ขนาดอินเทอร์เฟซตัวเชื่อมต่อ SMA ตัวเมีย / แจ็ค

สลัว
ร.ต.
นิ้ว (มม.)
นาที. สูงสุด
.208 (5.28) .216(5.49)
บี .1810(4.60) -
.218(5.54) -
ดี .170(4.32) -
อี 0.15(0.38) .045(1.14)
เอฟ .049(1.24) .051(1.30)
.000(0.00) .010(0.25)
ชม .074(1.88) .078(1.98)
เจ .043(1.09) .047(1.19)
เค .000(0.00) .010(0.25)
M .105(2.67) -
เอ็น .168 (4.27) -

หมายเหตุ:
1.ขนาดเป็นนิ้ว
2. การเทียบเท่าเมตริกมีไว้เพื่อเป็นข้อมูลเท่านั้น
3. ชิ้นส่วนที่ผ่านการรับรองก่อนหน้านี้ซึ่งใช้ระยะถอยหน้าสัมผัสสูงสุด .030 นิ้ว (0.76) ไม่เป็นที่ยอมรับสำหรับการใช้งานของรัฐบาล ควรใช้ความระมัดระวังเพื่อพิจารณาว่ามีการใช้การออกแบบแบบถดถอย .030 ในระหว่างการบำรุงรักษาและการเปลี่ยนชิ้นส่วนหรือไม่
4. ระยะห่างสำหรับน็อตข้อต่อตัวเชื่อมต่อการผสมพันธุ์
5. ขนาดเพื่อให้ตรงตาม VSWR ลักษณะการผสมพันธุ์ และความทนทานของตัวเชื่อมต่อเมื่อจับคู่กับ a
.0355/-.0370 นิ้ว หมุดเส้นผ่านศูนย์กลาง

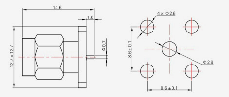
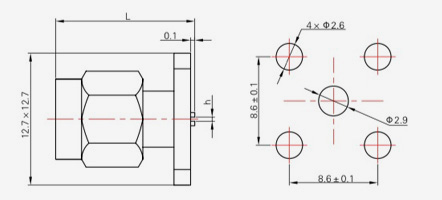
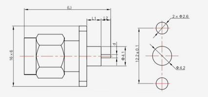
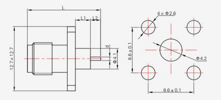
สมา SERIES
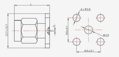
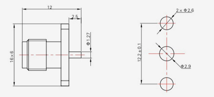
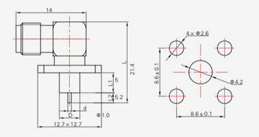
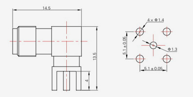
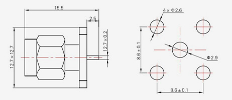
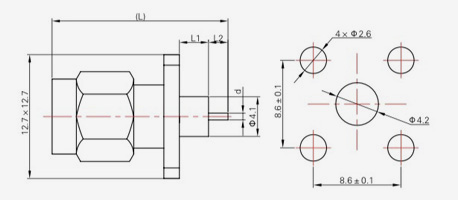
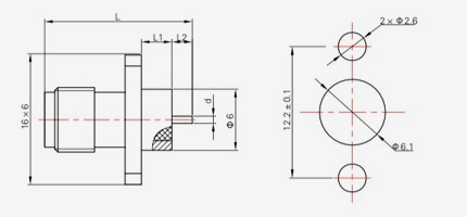
  • SMA-JB1
    SMA-JB1
    แบบอย่าง เคเบิ้ลโมเดล
    SMA-JB1 SFT-50-1,670-047 Φ1.2 12.5
    SMA-JB2 SFT-50-2,670-086 Φ2.2 11.2
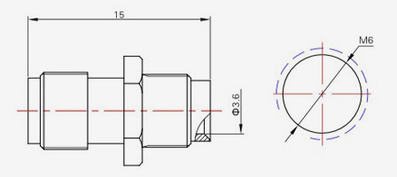
    SMA-JB3 SFT-50-3,670-141 Ф3.6 12.0
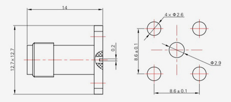
  • SMA-JB3A
    SMA-JB3A
    แบบอย่าง เคเบิ้ลโมเดล
    SMA-JB3A SFT-50-3,670-141
  • SMA-JB3E
    SMA-JB3E
    แบบอย่าง เคเบิ้ลโมเดล
    SMA-JB3E SFT-50-3,670-141
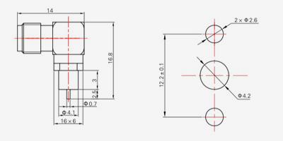
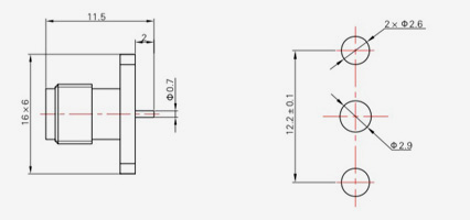
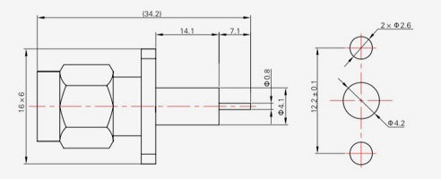
  • SMA-JWB2
    SMA-JWB2
    แบบอย่าง เคเบิ้ลโมเดล
    SMA-JWB2 SFT-50-2,670-086 Φ2.2 15.6
    SMA-JWB3 SFT-50-3,670-141 Φ3.6 16
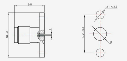
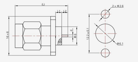
  • SMA-KB2
    SMA-KB2
    แบบอย่าง เคเบิ้ลโมเดล
    SMA-KB2 SFT-50-2,670-086 Φ2.2
    SMA-KB3 SFT-50-3,670-141 Φ3.6
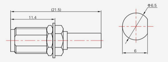
  • SMA-J5
    SMA-J5
    แบบอย่าง เคเบิ้ลโมเดล
    SMA-J5 SYV-50-3,RG142,
    เอสเอฟซีเจ-50-3-51
    SMA-J5C
  • SMA-(K)5
    SMA-(K)5
    แบบอย่าง เคเบิ้ลโมเดล
    SMA-(K)5 SYV-50-3,RG142,
    SFCJ-50-3-51
  • SMA-J5.3
    SMA-J5.3
    แบบอย่าง เคเบิ้ลโมเดล
    SMA-J5.3 32055,205,GNB-415
  • SMA-JW2
    SMA-JW2
    แบบอย่าง เคเบิ้ลโมเดล
    SMA-JW2 SYV-50-1
    SMA-JW3 SYV-50-2-1,RG316
    SMA-JW4 SYV-50-2-2
    SMA-JW5 SYV-50-3,RG142,SFCJ-50-3-51
  • SMA-JW5-1
    SMA-JW5-1
    แบบอย่าง เคเบิ้ลโมเดล
    SMA-JW5-1 SYV-50-3,RG142,SFCJ-50-3-51
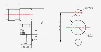
  • SMA-KFB2
    SMA-KFB2
    แบบอย่าง เคเบิ้ลโมเดล
    SMA-KFB2 SFT-50-2,670-086 Φ2.2
    SMA-KFB3 SFT-50-3,670-141 Φ3.6
  • SMA-KFB2-1
    SMA-KFB2-1
    แบบอย่าง เคเบิ้ลโมเดล
    SMA-KFB2-1 SFT-50-2,670-086 Φ2.2
    SMA-KFB3-1 SFT-50-3,670-141 Φ3.6
  • SMA-KYB2
    SMA-KYB2
    แบบอย่าง เคเบิ้ลโมเดล
    SMA-KYB2 SFT-50-2,670-086 Φ2.2
    SMA-KYB3A SFT-50-3,670-141 Φ3.6
  • SMA-KYB3
    SMA-KYB3
    แบบอย่าง เคเบิ้ลโมเดล
    SMA-KYB3 SFT-50-3,670-141 Φ3.6
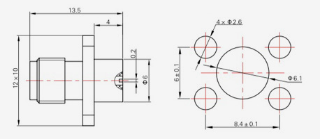
  • SMA-J2
    SMA-J2
    แบบอย่าง เคเบิ้ลโมเดล
    SMA-J2 SYV-50-1
    SMA-J3 SYV-50-2-1,RG316
    SMA-J4 SYV-50-2-2
  • SMA-K2
    SMA-K2
    แบบอย่าง เคเบิ้ลโมเดล
    SMA-K2 SYV-50-1
    SMA-K3 SYV-50-2-1,RG316
  • SMA-K5
    SMA-K5
    แบบอย่าง เคเบิ้ลโมเดล
    SMA-K5 SYV-50-3,RG142,SFCJ-50-3-51
    SMA-K5C
  • SMA-(เจ)5
    SMA-(เจ)5
    แบบอย่าง เคเบิ้ลโมเดล
    SMA-(เจ)5 SYV-50-3,RG142,SFCJ-50-3-51
  • SMA-KF2
    SMA-KF2
    แบบอย่าง เคเบิ้ลโมเดล
    SMA-KF2 SYV-50-1
    SMA-KF3 SYV-50-2-1,RG316
  • SMA-KY2
    SMA-KY2
    แบบอย่าง เคเบิ้ลโมเดล
    SMA-KY2 SYV-50-1
    SMA-KY3 SYV-50-2-1,RG316
    SMA-KY5 SYV-50-3,RG142,SFCJ-50-3-51
  • SMA-JFD1
    SMA-JFD1
    แบบอย่าง ล1 ล2
    SMA-JFD1 18 3 2
    SMA-JFD30 18 3 1.5
    SMA-JFD95 19 4 2
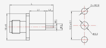
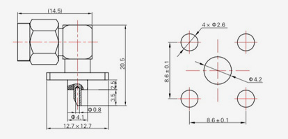
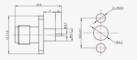
  • SMA-JFD2
    SMA-JFD2
    แบบอย่าง ล1 ล2
    SMA-JFD2 18 3 2 Φ0.7
    SMA-JFD31 18.5 3 2.5 Φ1.0
    SMA-JFD59 25 3 9 Φ1.0
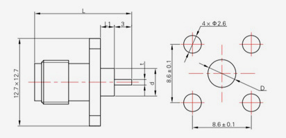
  • SMA-JFD4
    SMA-JFD4
    แบบอย่าง ล1 ล2
    SMA-JFD4 32 8 11 Φ1.27
    SMA-JFD5 18 3 2 Φ1.0
    SMA-JFD13 25 8 4 Φ1.27
    SMA-JFD58 29.2 15 2 Φ1.27
  • SMA-JFD6
    SMA-JFD6
    แบบอย่าง ล1 ล2
    SMA-JFD6 32 8 11 Φ1.27
    SMA-JFD7 25 8 4 Φ1.27
    SMA-JFD8 31 15 3 Φ1.27
    SMA-JFD9 18.2 3 2 Φ1.27
  • SMA-KFD3
    SMA-KFD3
    แบบอย่าง ล1 ล2
    SMA-KFD3 27.5 15 3 Φ1.27
    SMA-KFD4 33.5 21 3 Φ1.27
    SMA-KFD8 18.5 6 3 Φ1.27
    SMA-KFD9 24.5 12 3 Φ1.27
    SMA-KFD16 20.5 8 3 Φ1.27
    SMA-KFD21 15.5 2 4 Φ1.27
    SMA-KFD24 22.5 10 3 Φ1.27
    SMA-KFD33 17.5 5 3 Φ1.7
  • SMA-KFD3
    SMA-KFD3
    แบบอย่าง ล1 ล2
    SMA-KFD46 16.5 4 3 Φ1.27
    SMA-KFD52 16.5 2 5 Φ1.0
    SMA-KFD53 20.5 6 5 Φ1.0
    SMA-KFD87 15 3 2.5 Φ0.7
    SMA-KFD133 15.5 4 2 Φ0.7
    SMA-KFD146 22.3 7 5 Φ1.0
    SMA-KFD147 18.5 4 5 Φ1.0
  • SMA-KFD5
    SMA-KFD5
    แบบอย่าง ล1 ล2
    SMA-KFD5 15.5 4 2 Φ1.27
    SMA-KFD6 22.5 8 5 Φ0.7
    SMA-KFD7 20.5 8 3 Φ1.27
    SMA-KFD18 16 4 1.5 Φ0.5
    SMA-KFD20 18.5 6 3 Φ1.27
    SMA-KFD22 27.5 15 3 Φ1.27
    SMA-KFD23 14.1 4 0.6 Φ0.4
    SMA-KFD30 33.5 21 3 Φ1.27
    SMA-KFD43 21.5 4 8 Φ1.27
    SMA-KFD47 14 2 2.5 Φ1
  • SMA-KFD5
    SMA-KFD5
    แบบอย่าง ล1 ล2
    SMA-KFD61 16.5 4.5 2 Φ1.27
    SMA-KFD62 17 3.5 4 Φ1.27
    SMA-KFD63 19.5 3.5 4 Φ1.27
    SMA-KFD64 18 3.5 5 Φ1.27
    SMA-KFD65 19 4.5 5 Φ1.27
    SMA-KFD66 20.5 4.5 6.5 Φ1.27
    SMA-KFD71 15.5 4 2 Φ0.7
    SMA-KFD122 21.5 6 6 Ф1.2
    SMA-KFD123 14.5 2 3 Φ1.2
    SMA-KFD144 19.5 9 1 Φ1.0
    SMA-KFD177 20.5 8 3 Φ1.27
  • SMA-KFD31
    SMA-KFD31
    แบบอย่าง ล1 ล2
    SMA-KFD31 15 3 2.5 Φ1.0
    SMA-KFD32 21.5 3 9 Φ1.0
    SMA-KFD34 17.5 3 5 Φ1
    SMA-KFD80 16.5 3 4 Φ0.7
    SMA-KFD100 16.5 5 2 Φ0.7
    SMA-KFD101 15.5 4 2 Φ0.7
    SMA-KFD102 14.5 3 2 Φ0.7
    SMA-KFD130 21.5 3 9 Φ0.7
    SMA-KFD131 15.5 4 2 Φ1.0
    SMA-KFD134 17 5 2.5 Φ0.7
    SMA-KFD136 19.5 4 6 Φ1
    SMA-KFD163 18.7 3.2 5 Φ1.0
  • SMA-KFD81
    SMA-KFD81
    แบบอย่าง
    SMA-KFD81 ม1
    SMA-KFD109 ม1.6
  • SMA-KFD119
    SMA-KFD119
    แบบอย่าง ล1 ล2
    SMA-KFD119 17 6.5 1 Φ3.0
    SMA-KFD121 18 6.5 2 Φ3.0
    SMA-KFD141 17.5 4 4 Φ3.2
    SMA-KFD142 18.3 7.8 1 Φ3.0
    SMA-KFD149 17.5 3 5 Φ3.0
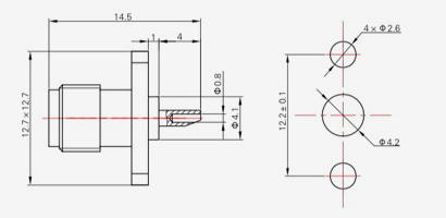
  • SMA-KWFD3
    SMA-KWFD3
    แบบอย่าง ล1 ล2 ดี
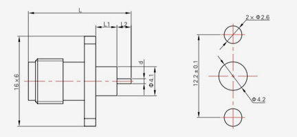
    SMA-KWFD3 26.7 11 4.5 Φ1.27 Φ4.1
    SMA-KWFD4 24.2 8 5 Φ1.0 Φ3.2
    SMA-KWFD5 24.2 8 5 Φ0.7 Φ4.1
    SMA-KWFD6 21.2 5 5 Φ0.7 Φ4.1
    SMA-KWFD7 24.2 3 10 Φ0.7 Φ4.1
    SMA-KWFD8 21.3 5 5 Φ0.7 Φ4.1
    SMA-KWFD9 16.2 3 2 Φ0.7 Φ4.1
    SMA-KWFD12 15.2 2 2 Φ0.7 Φ4.1
    SMA-KWFD49 25.2 5 9 Φ0.17 Φ4.1
  • SMA-JFD11
    SMA-JFD11
    แบบอย่าง ล1 ชม.
    SMA-JFD11 14 1 0.2
    SMA-JFD17 16 3 0.4
    SMA-JFD18 14 1 0.3
    SMA-JFD19 14 1 0.4
    SMA-JFD20 14 1 0.5
    SMA-JFD24 15 2 0.4
  • SMA-JFD12
    SMA-JFD12
    แบบอย่าง ชม.
    SMA-JFD12 13.1 0.4
    SMA-JFD14 13.1 0.55
  • SMA-KFD145
    SMA-KFD145
    แบบอย่าง ล1 ล2
    SMA-KFD145 22.3 7.8 5
    SMA-KFD151 21 2.5 9
    SMA-KFD161 20.5 6.5 5
    SMA-KFD162 17.5 3 5
  • SMA-KWF
    SMA-KWF
    แบบอย่าง ล1
    SMA-KWF 14.6 3.3
    SMA-KWFD10 13.3 2
  • SMA-JFD16
    SMA-JFD16
    แบบอย่าง ชม.
    SMA-JFD16 0.2
    SMA-JFD21 0.3
    SMA-JFD22 0.4
    SMA-JFD23 0.5
  • SMA-KFD26
    SMA-KFD26
    แบบอย่าง ชม.
    SMA-KFD26 0.2
    SMA-KFD27 0.4
    SMA-KFD110 0.3
    SMA-KFD111 0.5
  • SMA-KFD112
    SMA-KFD112
    แบบอย่าง ชม.
    SMA-KFD112 0.2
    SMA-KFD113 0.3
    SMA-KFD114 0.4
    SMA-KFD115 0.5
  • SMA-KFD10
    SMA-KFD10
    แบบอย่าง ล1 ที
    SMA-KFD10 15.8 3 0.5×0.2
    SMA-KFD14 16.5 4 0.5×0.2
    SMA-KFD35 14.5 2 1.27×0.2
  • SMA-KFD13
    SMA-KFD13
    แบบอย่าง ล1 ที ดี
    SMA-KFD13 16 4 0.5×0.2 Φ4.1 Φ4.2
    SMA-KFD14 15.2 3.2 0.5×0.2 Φ4.1 Φ4.2
    SMA-KFD35 15 3 1.27×0.2 Φ4.1 Φ4.2
    SMA-KFD45 14.4 2.4 0.5×0.2 Φ4.1 Φ4.2
    SMA-KFD68 15.2 3.2 0.5×0.2 Φ2.1 Φ2.2
    SMA-KFD73 16 4 1.27×0.2 Φ4.1 Φ4.2
  • SMA-KFD39
    SMA-KFD39
    แบบอย่าง ที
    SMA-KFD39 0.5×0.2
    SMA-KFD149 1.27×0.2
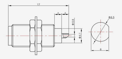
  • SMA-JFD40
    SMA-JFD40
    แบบอย่าง ดี
    SMA-JFD40 Φ0.5 Φ3.0
    SMA-JFD41 Φ0.45 Φ2.8
    SMA-JFD42 Φ0.38 Φ2.5
    SMA-JFD44 Φ0.3 Φ2.0
  • SMA-JFD48
    SMA-JFD48
    แบบอย่าง ดี
    SMA-JFD48 Φ0.5 Φ3.0
    SMA-JFD55 Φ0.45 Φ2.8
    SMA-JFD56 Φ0.38 Φ2.5
    SMA-JFD57 Φ0.3 Φ2.0
  • SMA-KFD40
    SMA-KFD40
    แบบอย่าง ดี
    SMA-KFD40 Ф0.5 Φ3.0
    SMA-KFD41 Φ0.45 Φ2.8
    SMA-KFD42 Φ0.38 Φ2.5
    SMA-KFD44 Φ0.3 Φ2.0
  • SMA-KFD48
    SMA-KFD48
    แบบอย่าง ดี
    SMA-KFD48 Φ0.5 Φ3.0
    SMA-KFD55 Φ0.45 Φ2.8
    SMA-KFD56 Φ0.38 Φ2.5
    SMA-KFD57 Φ0.3 Φ2.0
    SMA-KFD152 Φ0.4 Φ2.8
  • SMA-KHD
    SMA-KHD
    แบบอย่าง
    SMA-KHD 13.5
    SMA-KHD10 18.5
  • SMA-KHD1
    SMA-KHD1
    แบบอย่าง
    SMA-KHD1 1.2 Φ1.27
    SMA-KHD2 1.5 Φ1.27
    SMA-KHD3 2 Φ1.27
    SMA-KHD4 0.5 Φ1.27
    SMA-KHD5 0.8 Φ1.27
    SMA-KHD6 1 Φ1.27
    SMA-KHD8 1.6 Φ0.8
    SMA-KHD9 1.6 Φ1.27
    SMA-KHD11 1 Φ0.5
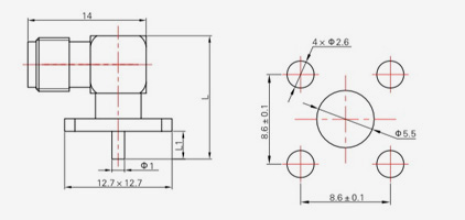
  • SMA-JWF
    SMA-JWF
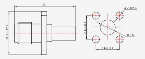
  • SMA-KF1
    SMA-KF1
  • SMA-KFD17
    SMA-KFD17
  • SMA-KFD150
    SMA-KFD150
  • SMA-KWF1
    SMA-KWF1
  • SMA-KYD
    SMA-KYD
  • SMA-JFD3
    SMA-JFD3
  • SMA-JFD61
    SMA-JFD61
  • SMA-KFD19
    SMA-KFD19
  • SMA-KFD36G
    SMA-KFD36G
  • SMA-KFD51
    SMA-KFD51
  • SMA-KFD125
    SMA-KFD125
  • SMA-KFD135
    SMA-KFD135
  • SMA-KWFD2-1
    SMA-KWFD2-1
  • SMA-KWFD2-2
    SMA-KWFD2-2
  • SMA-KFD154
    SMA-KFD154
  • SMA-KFD158
    SMA-KFD158
  • SMA-KWFD2
    SMA-KWFD2
  • SMA-JFD26
    SMA-JFD26
  • SMA-JFD124
    SMA-JFD124
  • SMA-KFD124
    SMA-KFD124
  • SMA-KFD143
    SMA-KFD143
  • SMA-JFD15
    SMA-JFD15
  • SMA-JFD25
    SMA-JFD25
  • SMA-JFD54
    SMA-JFD54
  • SMA-KFD54
    SMA-KFD54
  • SMA-KFD78
    SMA-KFD78
  • SMA-JHD
    SMA-JHD
  • SMA-KHD7
    SMA-KHD7
  • SMA-KWHD
    SMA-KWHD
  • SMA-KWHD4
    SMA-KWHD4
  • SMA-KWHD5
    SMA-KWHD5

ให้อยู่ในการติดต่อ

[#ป้อนข้อมูล#]
ส่ง
เกี่ยวกับเรา
Ningbo Hanson Communication Technology Co. , Ltd.
Ningbo Hanson Communication Technology Co. , Ltd.
Ningbo Hanson Communication Technology Co., Ltd. is China SMA RF Coaxial Connector Supplier and Custom SMA RF Coaxial Connector Company. We are a manufacturer specializing in the production, processing, and trade of communication components, with more than 30 years of experience in RF coaxial connectors, adapters, and cable assemblies. ขณะนี้บริษัทได้พัฒนาโรงผลิตเครื่องจักร โรงชุบโลหะด้วยไฟฟ้า โรงประกอบ และกลุ่มซัพพลายเออร์ที่มั่นคงและเชื่อถือได้ วัตถุประสงค์ของบริษัทคือเพื่อให้ลูกค้าได้รับผลิตภัณฑ์คุณภาพสูง สินค้าหลัก คือตัวเชื่อมต่อโคแอกเซียล RF, อะแดปเตอร์, ชุดสายเคเบิลความถี่สูง และชุดสายเคเบิลอินเตอร์โมดูเลชั่นต่ำ นอกจากนี้บริษัทยังสามารถให้บริการสำหรับลูกค้าที่มีความต้องการเฉพาะเพื่อตอบสนองความต้องการพิเศษของลูกค้าสำหรับผลิตภัณฑ์ ผลิตภัณฑ์ของบริษัทมีการใช้กันอย่างแพร่หลายในการบินและอวกาศ สถานีฐานการสื่อสาร อุปกรณ์ทางการแพทย์ และสาขาเทคโนโลยีขั้นสูงอื่นๆ ในช่วงเวลาแห่งการปฏิรูปองค์กร นวัตกรรม การพัฒนา และการเติบโต บริษัทได้ริเริ่มที่จะเข้าร่วมระบบการจัดการคุณภาพระดับสากล ISO9001 และปรับปรุงระดับการจัดการอย่างต่อเนื่องเพื่อมอบผลิตภัณฑ์และบริการที่น่าพอใจมากขึ้นให้แก่ลูกค้าทั้งเก่าและใหม่
ข่าวล่าสุด
กำลังมองหาโอกาสทางธุรกิจอยู่ใช่ไหม?

ขอสายวันนี้