OEM ขั้วต่อ BNC Supplier

ขั้วต่อ BNC

คำอธิบาย:

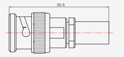
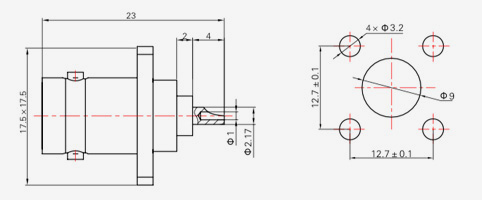
ขั้วต่อโคแอกเซียล RF ซีรีส์ BNC เป็นขั้วต่อโคแอกเซียล RF ชนิดดาบปลายปืนที่พัฒนาขึ้นตามมาตรฐานกองทัพสหรัฐฯ MIL-C-39012 มีลักษณะของการเชื่อมต่อที่รวดเร็วและหน้าสัมผัสที่เชื่อถือได้ และเป็นหนึ่งในตัวเชื่อมต่อที่ใช้กันอย่างแพร่หลายมากที่สุดในโลก อิมพีแดนซ์ลักษณะเฉพาะของตัวเชื่อมต่อโคแอกเซียล RF ซีรีส์ BNC แบ่งออกเป็น 50Ω และ 75Ω และขนาดของตัวเชื่อมต่ออิมพีแดนซ์ที่แตกต่างกันสองตัวจะถูกจับคู่

พารามิเตอร์:

ข้อมูลจำเพาะทางเทคนิคหลัก:
◆ ลักษณะความต้านทาน: 50Ω/75Ω
◆ ช่วงความถี่: DC-4GHz(50Ω)/DC-1GHz(75Ω)
◆ ความต้านทานของฉนวน: ≥5000MΩ
◆ แรงดันไฟฟ้าทนต่ออิเล็กทริก: 1500V(rms)
◆ อัตราส่วนคลื่นนิ่งแรงดันไฟฟ้า (VSWR): ≤1.25
◆ รอบการผสมพันธุ์: 500 ครั้ง

สอบถาม

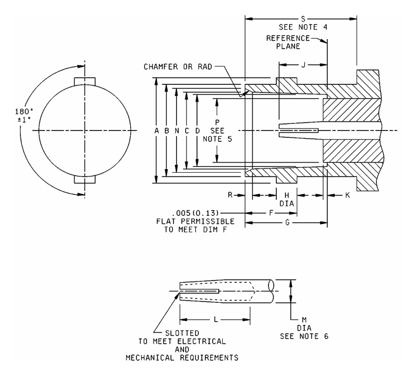
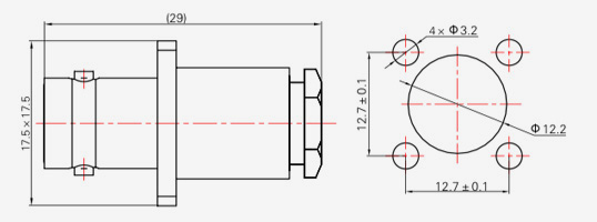
สลัว
ร.ต
มิลลิเมตร (นิ้ว)
ขั้นต่ำ สูงสุด
.432 (10.97) .436 (11.07)
บี .378 (9.60) .382 (9.70)
.327 (8.31) .333 (8.46)
ดี .319 (8.10) .321 (8.15)
เอฟ .204 (5.18) .208 (5.28)
.327(8.31) .335 (8.51)
ชม .075 (1.91) 081(2.06)
- .186(4.72) .206 (5.23)
เค - .006(0.15)
.195 (4.95) -
.081 (2.06) 087 (2.21)
เอ็น .346(8.79) .356 (9.04)
- .256 (6.50)
.015 (0.38) .030 (0.76)
.414 (10.52) -

หมายเหตุ:
1.ขนาดเป็นนิ้ว เทียบเท่าเมตริกอยู่ในวงเล็บ
2. ค่าเทียบเท่าเมตริกมีไว้เพื่อเป็นข้อมูลทั่วไปเท่านั้น
3. อินเทอร์เฟซนี้จะต้องเป็นไปตามข้อกำหนดเกจตามที่ระบุไว้ในแบบร่างหรือข้อกำหนดของ ดีSCC
4. ระยะห่างสำหรับน็อตข้อต่อตัวเชื่อมต่อการผสมพันธุ์
5. มิติ "ป" ใช้กับส่วนนั้น (ถ้ามี) ของไดอิเล็กทริกซึ่งขยายเกินระนาบอ้างอิงโดยมิติ เค
6. "ม" ใช้เฉพาะความยาว "ล" เท่านั้น

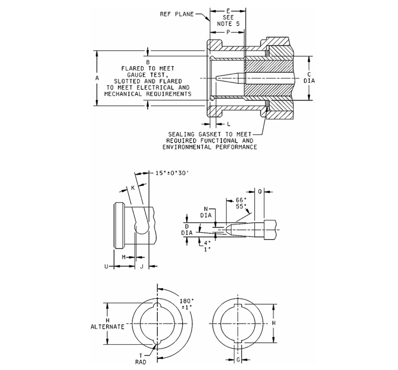
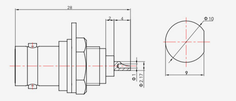
สลัว
ร.ต
มิลลิเมตร (นิ้ว)
ขั้นต่ำ สูงสุด
385 (9.78) .390 (9.91)
บี ชauge test
ดี .052 (1.32) .054 (1.37)
อี .210 (5.33) .230 (5.84)
.091(2.31) .097 (2.46)
ชม .463 (11.76) .473 (12.01)
ชม alternate .394 (10.01) .400 (10.16)
เจ .124(3.15) -
เค .091(2.31) .097 (2.46)
.003 (0.08) -
.018 (0.46) .022 (0.56)
เอ็น - .025 (0.64)
.208 (5.28) -
ถาม .078 (1.98) -
.045 (1.14) .049 (1.24)
คุณ .180(4.57) .184 (4.67)

หมายเหตุ:
1.ขนาดเป็นนิ้ว เทียบเท่าเมตริกอยู่ในวงเล็บ
2. ค่าเทียบเท่าเมตริกมีไว้เพื่อเป็นข้อมูลทั่วไปเท่านั้น
3. ในสภาวะคู่กัน แรงตามยาวของสปริงของกลไกการต่อจะต้องเกินความดันที่กระทำโดยปะเก็นซีลตามปริมาณที่จำเป็นในการบุฉนวนของหน้าสัมผัสด้านนอกที่ระนาบอ้างอิง
4. อินเทอร์เฟซนี้จะต้องเป็นไปตามข้อกำหนดเกจตามที่ระบุไว้

บีเอ็นซี SERIES
  • BNC-JB3
    BNC-JB3
    แบบอย่าง ประเภทสายเคเบิล
    BNC-JB3 SFT-50-3、670-141
  • BNC-KB3
    BNC-KB3
    แบบอย่าง ประเภทสายเคเบิล
    BNC-KB3 SFT-50-3,670-141
  • BNC-KYB2
    BNC-KYB2
    แบบอย่าง ประเภทสายเคเบิล
    BNC-KYB2 SFT-50-2,670-086 Φ2.2
    BNC-KYB3 SFT-50-2,670-141 Φ3.6
  • บีเอ็นซี-J3
    บีเอ็นซี-J3
    แบบอย่าง ประเภทสายเคเบิล
    บีเอ็นซี-J3 SYV-50-2-1,RG316
    BNC-J4 SYV-50-2-2
    BNC-J5,(K)5 SYV-50-3,SFCJ-50-3-51,RG142
    BNC-J7 SYV-50-5-1,SFCJ-50-5-51
    BNC-J10 SYV-50-7-1,SYV-50-7-2,SFCJ-50-7-51
  • BNC-J3Y
    BNC-J3Y
    แบบอย่าง ประเภทสายเคเบิล
    BNC-J3Y เอสวายวี-50-2-1
    BNC-J5Y SYV-50-3
  • BNC-J12
    BNC-J12
    แบบอย่าง ประเภทสายเคเบิล
    BNC-J12 SYV-75-3
  • BNC-75J13Y
    BNC-75J13Y
    แบบอย่าง ประเภทสายเคเบิล
    BNC-75J13Y SYV-75-5
  • BNC-JW3Y
    BNC-JW3Y
    แบบอย่าง ประเภทสายเคเบิล
    BNC-JW3Y SYV-50-2-1,RG316
  • BNC-KF3
    BNC-KF3
    แบบอย่าง ประเภทสายเคเบิล
    BNC-KF3 SYV-50-2-1,RG316
    BNC-KF4 SYV-50-2-2
    BNC-KF5 SYV-50-3,SFCJ-50-3-51,RG142
  • BNC-KY3
    BNC-KY3
    แบบอย่าง ประเภทสายเคเบิล
    BNC-KY3 SYV-50-2-1,RG316
    BNC-KY4 SYV-50-2-2
    BNC-KY5 SYV-50-3,SFCJ-50-3-51,RG142
  • BNC-KF
    BNC-KF
  • BNC-KY
    BNC-KY

ให้อยู่ในการติดต่อ

[#ป้อนข้อมูล#]
ส่ง
เกี่ยวกับเรา
Ningbo Hanson Communication Technology Co. , Ltd.
Ningbo Hanson Communication Technology Co. , Ltd.
Ningbo Hanson Communication Technology Co., Ltd. is China ขั้วต่อ BNC Supplier and Custom ขั้วต่อ BNC Company. We are a manufacturer specializing in the production, processing, and trade of communication components, with more than 30 years of experience in RF coaxial connectors, adapters, and cable assemblies. ขณะนี้บริษัทได้พัฒนาโรงผลิตเครื่องจักร โรงชุบโลหะด้วยไฟฟ้า โรงประกอบ และกลุ่มซัพพลายเออร์ที่มั่นคงและเชื่อถือได้ วัตถุประสงค์ของบริษัทคือเพื่อให้ลูกค้าได้รับผลิตภัณฑ์คุณภาพสูง สินค้าหลัก คือตัวเชื่อมต่อโคแอกเซียล RF, อะแดปเตอร์, ชุดสายเคเบิลความถี่สูง และชุดสายเคเบิลอินเตอร์โมดูเลชั่นต่ำ นอกจากนี้บริษัทยังสามารถให้บริการสำหรับลูกค้าที่มีความต้องการเฉพาะเพื่อตอบสนองความต้องการพิเศษของลูกค้าสำหรับผลิตภัณฑ์ ผลิตภัณฑ์ของบริษัทมีการใช้กันอย่างแพร่หลายในการบินและอวกาศ สถานีฐานการสื่อสาร อุปกรณ์ทางการแพทย์ และสาขาเทคโนโลยีขั้นสูงอื่นๆ ในช่วงเวลาแห่งการปฏิรูปองค์กร นวัตกรรม การพัฒนา และการเติบโต บริษัทได้ริเริ่มที่จะเข้าร่วมระบบการจัดการคุณภาพระดับสากล ISO9001 และปรับปรุงระดับการจัดการอย่างต่อเนื่องเพื่อมอบผลิตภัณฑ์และบริการที่น่าพอใจมากขึ้นให้แก่ลูกค้าทั้งเก่าและใหม่
ข่าวล่าสุด
กำลังมองหาโอกาสทางธุรกิจอยู่ใช่ไหม?

ขอสายวันนี้