OEM SMPM คอนเนคเตอร์ที่ปิดสนิท Supplier

Ningbo Hanson Communication Technology Co. , Ltd. บ้าน / สินค้า / ซีรี่ส์ปิดผนึกอย่างผนึกแน่น / SMPM คอนเนคเตอร์ที่ปิดสนิท

SMPM คอนเนคเตอร์ที่ปิดสนิท

คำอธิบาย:

ตัวเชื่อมต่อแบบปิดผนึก SMPM (SubMiniature Push-on Micro) เป็นตัวเชื่อมต่อ RF ขนาดเล็กที่มีการหลบหนีเต็มรูปแบบ กึ่งหนีภัย และรูแสง ออกแบบมาสำหรับความถี่สูง พื้นที่ขนาดกะทัดรัด และการใช้งานที่มีน้ำหนักเบา เป็นขั้วต่อแบบกด มักใช้ในอุปกรณ์สื่อสารและอุปกรณ์อิเล็กทรอนิกส์ที่ต้องการน้ำหนักเบา ความน่าเชื่อถือสูง และมีขนาดเล็ก ขั้วต่อ SMPM มีคุณภาพการส่งสัญญาณสูงและสามารถให้ประสิทธิภาพทางไฟฟ้าที่ดี

สอบถาม

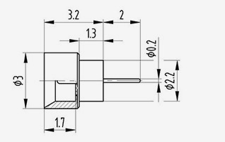
โครงสร้างพื้นฐาน:
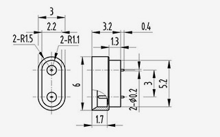
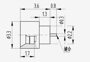
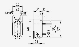
ขั้วต่อโคแอกเซียล RF แบบปิดผนึกอากาศชนิด SMPM-J ประกอบด้วยสามส่วน: ตัวนำด้านนอก, ตัวกลางแก้วและตัวนำภายใน โครงสร้างพื้นฐานแสดงในรูปด้านล่าง:

พารามิเตอร์ทางเทคนิคหลัก:

ลักษณะทางไฟฟ้า
ความต้านทานลักษณะเฉพาะ 50โอห์ม ช่วงความถี่ กระแสตรง ~ 40GHz
แรงดันไฟฟ้าทนอิเล็กทริก 500Vrms ความต้านทานของฉนวน 2000ม Ω
แรงดันไฟฟ้า VSWR <1.4 การสูญเสียการแทรก ≤0.05 √ฉ เดซิเบล(GHz)
วัสดุและคุณสมบัติทางกลและสิ่งแวดล้อม
ปลอก อัลลอยด์แบบลาวาได้/ชุบทอง หมุด โลหะผสมที่สามารถซักได้/ชุบทอง
ฉนวนกลาง กระจก ความทนทานของตัวเชื่อมต่อ การหลบหนีเต็มรูปแบบ 100 ครั้ง
อัตราการรั่วไหล ≤1.01325×10 ป้า ·ลบ.ม./วินาที รูแสง 1,000 ครั้ง
อุณหภูมิในการทำงาน -65°C~ 165°C

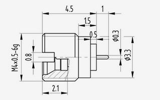
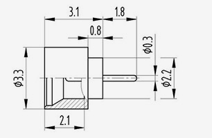
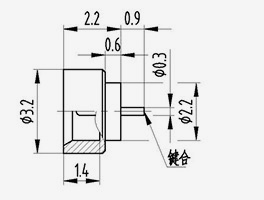
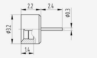
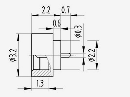
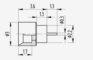
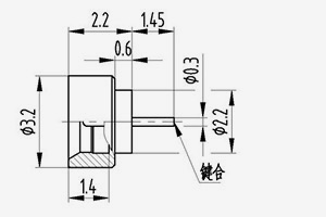
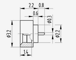
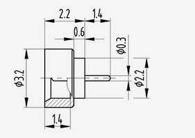
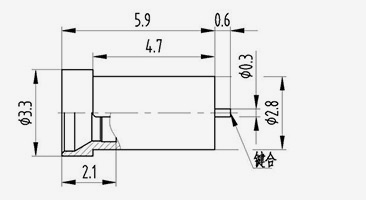
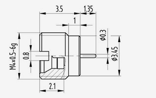
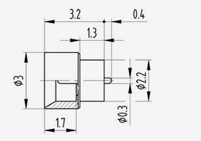
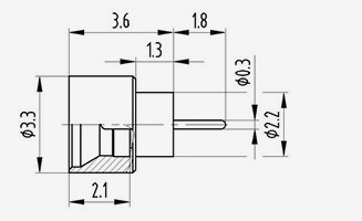
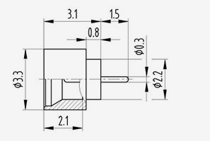
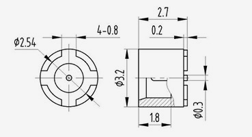
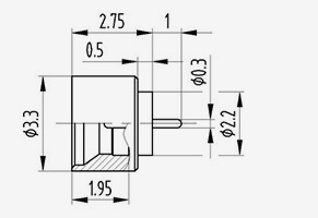
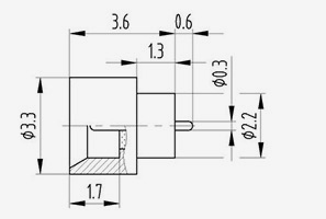
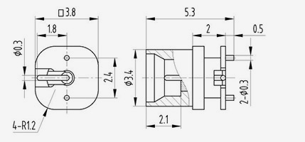
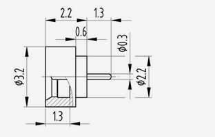
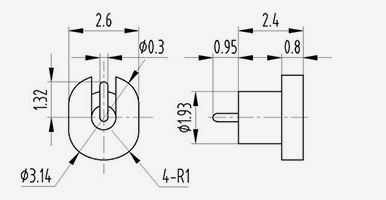
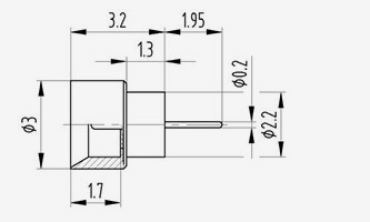
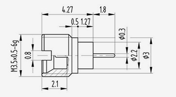
ขนาดอินเทอร์เฟซ:
ตัวเชื่อมต่อโคแอกเซียล RF แบบปิดผนึกอากาศประเภท SMPM-J มีรูปแบบอินเทอร์เฟซสองรูปแบบ: เอสเคปเมนต์แบบเต็มและรูเปลือย เมื่อตั้งชื่อโมเดล F หมายถึงการหลบหนีแบบเต็มและ
S หมายถึงรูแสง ขนาดอินเทอร์เฟซแบ่งออกเป็นขนาดอินเทอร์เฟซมาตรฐานและขนาดอินเทอร์เฟซแบบสั้น ซึ่งทั้งสองขนาดสามารถเชื่อมต่อกับปลั๊กประเภท SMPM-K ได้
ขนาดอินเทอร์เฟซมาตรฐาน:

ขนาดอินเทอร์เฟซแบบสั้น:

เอสเอ็มพีเอ็ม SERIES
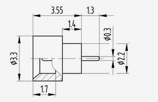
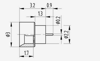
  • เอสเอ็มพีเอ็ม(M)-JYD3S
    เอสเอ็มพีเอ็ม(M)-JYD3S
    แบบอย่าง หมายเหตุ
    เอสเอ็มพีเอ็ม(M)-JYD3S เจาะเรียบ
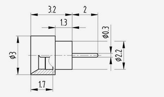
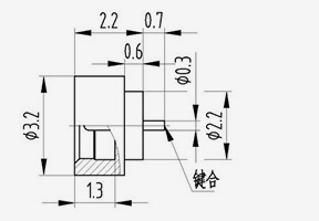
  • เอสเอ็มพีเอ็ม(M)-JYD5S
    เอสเอ็มพีเอ็ม(M)-JYD5S
    แบบอย่าง หมายเหตุ
    เอสเอ็มพีเอ็ม(M)-JYD5S เจาะเรียบ
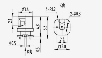
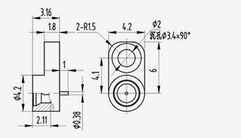
  • เอสเอ็มพีเอ็ม(M)-JYD8F
    เอสเอ็มพีเอ็ม(M)-JYD8F
    แบบอย่าง หมายเหตุ
    เอสเอ็มพีเอ็ม(M)-JYD8F กักขังเต็มรูปแบบ
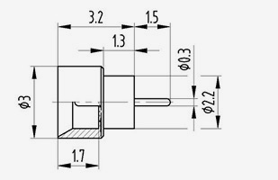
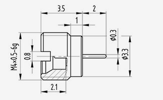
  • เอสเอ็มพีเอ็ม(M)-JYD10F
    เอสเอ็มพีเอ็ม(M)-JYD10F
    แบบอย่าง หมายเหตุ
    เอสเอ็มพีเอ็ม(M)-JYD10F กักขังเต็มรูปแบบ
  • เอสเอ็มพีเอ็ม(M)-JYD12S
    เอสเอ็มพีเอ็ม(M)-JYD12S
    แบบอย่าง หมายเหตุ
    เอสเอ็มพีเอ็ม(M)-JYD12S เจาะเรียบ
  • เอสเอ็มพีเอ็ม(M)-JYD13F
    เอสเอ็มพีเอ็ม(M)-JYD13F
    แบบอย่าง หมายเหตุ
    เอสเอ็มพีเอ็ม(M)-JYD13F กักขังเต็มรูปแบบ
  • เอสเอ็มพีเอ็ม(M)-JYD14F
    เอสเอ็มพีเอ็ม(M)-JYD14F
    แบบอย่าง หมายเหตุ
    เอสเอ็มพีเอ็ม(M)-JYD14F กักขังเต็มรูปแบบ
  • เอสเอ็มพีเอ็ม(M)-JYD15F
    เอสเอ็มพีเอ็ม(M)-JYD15F
    แบบอย่าง หมายเหตุ
    เอสเอ็มพีเอ็ม(M)-JYD15F กักขังเต็มรูปแบบ
  • เอสเอ็มพีเอ็ม(M)-JYD16S
    เอสเอ็มพีเอ็ม(M)-JYD16S
    แบบอย่าง หมายเหตุ
    เอสเอ็มพีเอ็ม(M)-JYD16S เจาะเรียบ
  • เอสเอ็มพีเอ็ม(M)-JYD17S
    เอสเอ็มพีเอ็ม(M)-JYD17S
    แบบอย่าง หมายเหตุ
    เอสเอ็มพีเอ็ม(M)-JYD17S เจาะเรียบ
  • เอสเอ็มพีเอ็ม(M)-JYD18S
    เอสเอ็มพีเอ็ม(M)-JYD18S
    แบบอย่าง หมายเหตุ
    เอสเอ็มพีเอ็ม(M)-JYD18S เจาะเรียบ
  • เอสเอ็มพีเอ็ม(M)-JYD19S
    เอสเอ็มพีเอ็ม(M)-JYD19S
    แบบอย่าง หมายเหตุ
    เอสเอ็มพีเอ็ม(M)-JYD19S เจาะเรียบ
  • เอสเอ็มพีเอ็ม(M)-JYD20F
    เอสเอ็มพีเอ็ม(M)-JYD20F
    แบบอย่าง หมายเหตุ
    เอสเอ็มพีเอ็ม(M)-JYD20F กักขังเต็มรูปแบบ
  • เอสเอ็มพีเอ็ม(M)-JYD21S
    เอสเอ็มพีเอ็ม(M)-JYD21S
    แบบอย่าง หมายเหตุ
    เอสเอ็มพีเอ็ม(M)-JYD21S เจาะเรียบ
  • เอสเอ็มพีเอ็ม(M)-JYD22F
    เอสเอ็มพีเอ็ม(M)-JYD22F
    แบบอย่าง หมายเหตุ
    เอสเอ็มพีเอ็ม(M)-JYD22F กักขังเต็มรูปแบบ
  • เอสเอ็มพีเอ็ม(M)-JYD23S
    เอสเอ็มพีเอ็ม(M)-JYD23S
    แบบอย่าง หมายเหตุ
    เอสเอ็มพีเอ็ม(M)-JYD23S เจาะเรียบ
  • เอสเอ็มพีเอ็ม(M)-JYD24F
    เอสเอ็มพีเอ็ม(M)-JYD24F
    แบบอย่าง หมายเหตุ
    เอสเอ็มพีเอ็ม(M)-JYD24F กักขังเต็มรูปแบบ
  • เอสเอ็มพีเอ็ม(M)-JYD25F
    เอสเอ็มพีเอ็ม(M)-JYD25F
    แบบอย่าง หมายเหตุ
    เอสเอ็มพีเอ็ม(M)-JYD25F กักขังเต็มรูปแบบ
  • เอสเอ็มพีเอ็ม(M)-JYD26F
    เอสเอ็มพีเอ็ม(M)-JYD26F
    แบบอย่าง หมายเหตุ
    เอสเอ็มพีเอ็ม(M)-JYD26F กักขังเต็มรูปแบบ
  • เอสเอ็มพีเอ็ม(M)-JYD27S
    เอสเอ็มพีเอ็ม(M)-JYD27S
    แบบอย่าง หมายเหตุ
    เอสเอ็มพีเอ็ม(M)-JYD27S เจาะเรียบ
  • เอสเอ็มพีเอ็ม(M)-JYD28S
    เอสเอ็มพีเอ็ม(M)-JYD28S
    แบบอย่าง หมายเหตุ
    เอสเอ็มพีเอ็ม(M)-JYD28S เจาะเรียบ
  • เอสเอ็มพีเอ็ม(M)-JYD29F
    เอสเอ็มพีเอ็ม(M)-JYD29F
    แบบอย่าง หมายเหตุ
    เอสเอ็มพีเอ็ม(M)-JYD29F กักขังเต็มรูปแบบ
  • เอสเอ็มพีเอ็ม(M)-JYD30S
    เอสเอ็มพีเอ็ม(M)-JYD30S
    แบบอย่าง หมายเหตุ
    เอสเอ็มพีเอ็ม(M)-JYD30S เจาะเรียบ
  • เอสเอ็มพีเอ็ม(M)-JYD31F
    เอสเอ็มพีเอ็ม(M)-JYD31F
    แบบอย่าง หมายเหตุ
    เอสเอ็มพีเอ็ม(M)-JYD31F กักขังเต็มรูปแบบ
  • เอสเอ็มพีเอ็ม(M)-JYD32F
    เอสเอ็มพีเอ็ม(M)-JYD32F
    แบบอย่าง หมายเหตุ
    เอสเอ็มพีเอ็ม(M)-JYD32F กักขังเต็มรูปแบบ
  • เอสเอ็มพีเอ็ม(M)-JYD33S
    เอสเอ็มพีเอ็ม(M)-JYD33S
    แบบอย่าง หมายเหตุ
    เอสเอ็มพีเอ็ม(M)-JYD33S เจาะเรียบ
  • เอสเอ็มพีเอ็ม(M)-JYD34S
    เอสเอ็มพีเอ็ม(M)-JYD34S
    แบบอย่าง หมายเหตุ
    เอสเอ็มพีเอ็ม(M)-JYD34S เจาะเรียบ
  • เอสเอ็มพีเอ็ม(M)-JYD35S
    เอสเอ็มพีเอ็ม(M)-JYD35S
    แบบอย่าง หมายเหตุ
    เอสเอ็มพีเอ็ม(M)-JYD35S เจาะเรียบ
  • เอสเอ็มพีเอ็ม(M)-JYD36S
    เอสเอ็มพีเอ็ม(M)-JYD36S
    แบบอย่าง หมายเหตุ
    เอสเอ็มพีเอ็ม(M)-JYD36S เจาะเรียบ
  • เอสเอ็มพีเอ็ม(M)-JYD37S
    เอสเอ็มพีเอ็ม(M)-JYD37S
    แบบอย่าง หมายเหตุ
    เอสเอ็มพีเอ็ม(M)-JYD37S เจาะเรียบ
  • เอสเอ็มพีเอ็ม(M)-JYD38S
    เอสเอ็มพีเอ็ม(M)-JYD38S
    แบบอย่าง หมายเหตุ
    เอสเอ็มพีเอ็ม(M)-JYD38S เจาะเรียบ
  • เอสเอ็มพีเอ็ม(M)-JYD39S
    เอสเอ็มพีเอ็ม(M)-JYD39S
    แบบอย่าง หมายเหตุ
    เอสเอ็มพีเอ็ม(M)-JYD39S เจาะเรียบ
  • เอสเอ็มพีเอ็ม(M)-JYD41S
    เอสเอ็มพีเอ็ม(M)-JYD41S
    แบบอย่าง หมายเหตุ
    เอสเอ็มพีเอ็ม(M)-JYD41S เจาะเรียบ
  • เอสเอ็มพีเอ็ม(M)-JYD42S
    เอสเอ็มพีเอ็ม(M)-JYD42S
    แบบอย่าง หมายเหตุ
    เอสเอ็มพีเอ็ม(M)-JYD42S เจาะเรียบ
  • เอสเอ็มพีเอ็ม(M)-JYD43F
    เอสเอ็มพีเอ็ม(M)-JYD43F
    แบบอย่าง หมายเหตุ
    เอสเอ็มพีเอ็ม(M)-JYD43F กักขังเต็มรูปแบบ
  • เอสเอ็มพีเอ็ม(M)-JYD44F
    เอสเอ็มพีเอ็ม(M)-JYD44F
    แบบอย่าง หมายเหตุ
    เอสเอ็มพีเอ็ม(M)-JYD44F กักขังเต็มรูปแบบ
  • เอสเอ็มพีเอ็ม(M)-JYD45S
    เอสเอ็มพีเอ็ม(M)-JYD45S
    แบบอย่าง หมายเหตุ
    เอสเอ็มพีเอ็ม(M)-JYD45S เจาะเรียบ
  • เอสเอ็มพีเอ็ม(M)-JYD46S
    เอสเอ็มพีเอ็ม(M)-JYD46S
    แบบอย่าง หมายเหตุ
    เอสเอ็มพีเอ็ม(M)-JYD46S เจาะเรียบ
  • เอสเอ็มพีเอ็ม(M)-JYD60F
    เอสเอ็มพีเอ็ม(M)-JYD60F
    แบบอย่าง หมายเหตุ
    เอสเอ็มพีเอ็ม(M)-JYD60F กักขังเต็มรูปแบบ
  • เอสเอ็มพีเอ็ม(M)-JYD61F
    เอสเอ็มพีเอ็ม(M)-JYD61F
    แบบอย่าง หมายเหตุ
    เอสเอ็มพีเอ็ม(M)-JYD61F กักขังเต็มรูปแบบ
  • เอสเอ็มพีเอ็ม(M)-JYD62F
    เอสเอ็มพีเอ็ม(M)-JYD62F
    แบบอย่าง หมายเหตุ
    เอสเอ็มพีเอ็ม(M)-JYD62F กักขังเต็มรูปแบบ
  • เอสเอ็มพีเอ็ม(M)-JYD63S
    เอสเอ็มพีเอ็ม(M)-JYD63S
    แบบอย่าง หมายเหตุ
    เอสเอ็มพีเอ็ม(M)-JYD63S เจาะเรียบ
  • เอสเอ็มพีเอ็ม(M)-JYD64S
    เอสเอ็มพีเอ็ม(M)-JYD64S
    แบบอย่าง หมายเหตุ
    เอสเอ็มพีเอ็ม(M)-JYD64S เจาะเรียบ
  • เอสเอ็มพีเอ็ม(M)-JYD65S
    เอสเอ็มพีเอ็ม(M)-JYD65S
    แบบอย่าง หมายเหตุ
    เอสเอ็มพีเอ็ม(M)-JYD65S เจาะเรียบ
  • เอสเอ็มพีเอ็ม(M)-JYD66S
    เอสเอ็มพีเอ็ม(M)-JYD66S
    แบบอย่าง หมายเหตุ
    เอสเอ็มพีเอ็ม(M)-JYD66S เจาะเรียบ
  • เอสเอ็มพีเอ็ม(M)-JHD1S
    เอสเอ็มพีเอ็ม(M)-JHD1S
    แบบอย่าง หมายเหตุ
    เอสเอ็มพีเอ็ม(M)-JHD1S เจาะเรียบ
  • เอสเอ็มพีเอ็ม(M)-JHD2F
    เอสเอ็มพีเอ็ม(M)-JHD2F
    แบบอย่าง หมายเหตุ
    เอสเอ็มพีเอ็ม(M)-JHD2F กักขังเต็มรูปแบบ
  • เอสเอ็มพีเอ็ม(M)-JHD3F
    เอสเอ็มพีเอ็ม(M)-JHD3F
    แบบอย่าง หมายเหตุ
    เอสเอ็มพีเอ็ม(M)-JHD3F กักขังเต็มรูปแบบ
  • เอสเอ็มพีเอ็ม(M)-JHD4F
    เอสเอ็มพีเอ็ม(M)-JHD4F
    แบบอย่าง หมายเหตุ
    เอสเอ็มพีเอ็ม(M)-JHD4F กักขังเต็มรูปแบบ
  • เอสเอ็มพีเอ็ม(M)-JHD6F
    เอสเอ็มพีเอ็ม(M)-JHD6F
    แบบอย่าง หมายเหตุ
    เอสเอ็มพีเอ็ม(M)-JHD6F กักขังเต็มรูปแบบ
  • เอสเอ็มพีเอ็ม(M)-JHD21F
    เอสเอ็มพีเอ็ม(M)-JHD21F
    แบบอย่าง หมายเหตุ
    เอสเอ็มพีเอ็ม(M)-JHD21F กักขังเต็มรูปแบบ
  • เอสเอ็มพีเอ็ม(M)-JFD1S
    เอสเอ็มพีเอ็ม(M)-JFD1S
    แบบอย่าง หมายเหตุ
    เอสเอ็มพีเอ็ม(M)-JFD1S เจาะเรียบ
  • เอสเอ็มพีเอ็ม(M)-JWSD1S
    เอสเอ็มพีเอ็ม(M)-JWSD1S
    แบบอย่าง หมายเหตุ
    เอสเอ็มพีเอ็ม(M)-JWSD1S เจาะเรียบ
  • เอสเอ็มพีเอ็ม(M)-JWSD8
    เอสเอ็มพีเอ็ม(M)-JWSD8
    แบบอย่าง หมายเหตุ
    SMPM(M)-JWSD8
  • เอสเอ็มพีเอ็ม(M)-JWSD9S
    เอสเอ็มพีเอ็ม(M)-JWSD9S
    แบบอย่าง หมายเหตุ
    เอสเอ็มพีเอ็ม(M)-JWSD9S เจาะเรียบ
  • เอสเอ็มพีเอ็ม(M)-JWSD10S
    เอสเอ็มพีเอ็ม(M)-JWSD10S
    แบบอย่าง หมายเหตุ
    เอสเอ็มพีเอ็ม(M)-JWSD10S เจาะเรียบ
  • เอสเอ็มพีเอ็ม(M)-JSD1S
    เอสเอ็มพีเอ็ม(M)-JSD1S
    แบบอย่าง หมายเหตุ
    เอสเอ็มพีเอ็ม(M)-JSD1S เจาะเรียบ

ให้อยู่ในการติดต่อ

[#ป้อนข้อมูล#]
ส่ง
เกี่ยวกับเรา
Ningbo Hanson Communication Technology Co. , Ltd.
Ningbo Hanson Communication Technology Co. , Ltd.
Ningbo Hanson Communication Technology Co., Ltd. is China SMPM คอนเนคเตอร์ที่ปิดสนิท Supplier and Custom SMPM คอนเนคเตอร์ที่ปิดสนิท Company. We are a manufacturer specializing in the production, processing, and trade of communication components, with more than 30 years of experience in RF coaxial connectors, adapters, and cable assemblies. ขณะนี้บริษัทได้พัฒนาโรงผลิตเครื่องจักร โรงชุบโลหะด้วยไฟฟ้า โรงประกอบ และกลุ่มซัพพลายเออร์ที่มั่นคงและเชื่อถือได้ วัตถุประสงค์ของบริษัทคือเพื่อให้ลูกค้าได้รับผลิตภัณฑ์คุณภาพสูง สินค้าหลัก คือตัวเชื่อมต่อโคแอกเซียล RF, อะแดปเตอร์, ชุดสายเคเบิลความถี่สูง และชุดสายเคเบิลอินเตอร์โมดูเลชั่นต่ำ นอกจากนี้บริษัทยังสามารถให้บริการสำหรับลูกค้าที่มีความต้องการเฉพาะเพื่อตอบสนองความต้องการพิเศษของลูกค้าสำหรับผลิตภัณฑ์ ผลิตภัณฑ์ของบริษัทมีการใช้กันอย่างแพร่หลายในการบินและอวกาศ สถานีฐานการสื่อสาร อุปกรณ์ทางการแพทย์ และสาขาเทคโนโลยีขั้นสูงอื่นๆ ในช่วงเวลาแห่งการปฏิรูปองค์กร นวัตกรรม การพัฒนา และการเติบโต บริษัทได้ริเริ่มที่จะเข้าร่วมระบบการจัดการคุณภาพระดับสากล ISO9001 และปรับปรุงระดับการจัดการอย่างต่อเนื่องเพื่อมอบผลิตภัณฑ์และบริการที่น่าพอใจมากขึ้นให้แก่ลูกค้าทั้งเก่าและใหม่
ข่าวล่าสุด
กำลังมองหาโอกาสทางธุรกิจอยู่ใช่ไหม?

ขอสายวันนี้