OEM ฉนวนแก้ว RF Supplier

ฉนวนแก้ว RF

คำอธิบาย:

ฉนวนแก้วใช้โครงสร้างการเผาผนึกแก้วที่มีประสิทธิภาพการปิดผนึกที่ดี สามารถใช้กับขั้วต่อคลื่นระดับมิลลิเมตร เช่น SMA และ 2.92 และยังสามารถใช้ได้โดยตรงระหว่างบอร์ด PCB แม่แบบ และแม่แบบและส่วนประกอบอีกด้วย ใช้แก้ว (ค่าคงที่ไดอิเล็กทริกประมาณ 4.0) เป็นวัสดุฉนวน และตัวนำด้านในและด้านนอกทำจากวัสดุโลหะผสม Kovar หลังจากการเผาผนึกที่อุณหภูมิสูง พื้นผิวจะชุบนิกเกิลด้วยทองคำ ฉนวนแก้วมีข้อดีคือมีขนาดเล็ก น้ำหนักเบา กันอากาศเข้าได้ และมีความน่าเชื่อถือสูง ส่วนใหญ่จะใช้ในโอกาสที่มีข้อกำหนดการปิดผนึก หรือข้อกำหนดเกี่ยวกับปริมาณและน้ำหนักของผลิตภัณฑ์ เหมาะสำหรับการติดตั้งแบบเข้มข้น ตัวนำด้านในสามารถเชื่อมต่อได้หลายวิธี เช่น การเสียบปลั๊ก การติดตั้งบนพื้นผิว การเชื่อม และการติดลวดทอง

สอบถาม

โครงสร้างพื้นฐาน:
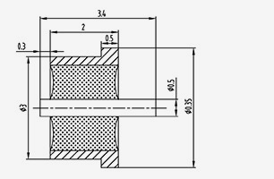
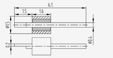
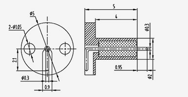
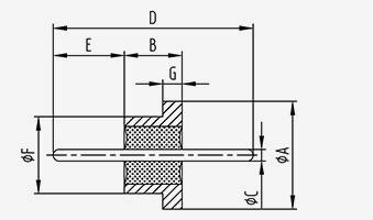
ฉนวนแก้วมักประกอบด้วยสามส่วน: ตัวนำด้านนอก ตัวกลางแก้ว และตัวนำภายใน และโครงสร้างพื้นฐานดังแสดงในรูปต่อไปนี้

ข้อมูลจำเพาะทางเทคนิคและการทดสอบความน่าเชื่อถือ:

ลักษณะทางไฟฟ้า
ความต้านทานลักษณะเฉพาะ 50Ωหรืออื่นๆ ช่วงความถี่ กระแสตรง ~ 65GHz
แรงดันไฟฟ้าทนอิเล็กทริก ≥500V ความต้านทานของฉนวน ≥5000M Ω
ความต้านทานต่อการสัมผัส ตัวนำภายใน3m Ω แรงดันไฟฟ้า VSWR (50Ω) ≤ 1.05 0.008f ( ฉ: กิกะเฮิรตซ์)
ตัวนำด้านนอก ≤2m Ω การสูญเสียการแทรก RF (50Ω) ≤0.05 √ ฉ (ฉ: กิกะเฮิรตซ์)
วัสดุและคุณสมบัติทางกลและสิ่งแวดล้อม
ตัวนำด้านนอก โลหะผสมที่ได้รับมอบหมาย อัตราการรั่วไหลของอากาศ 1.01*10 -9 แพม 3 /ส
ตัวนำภายใน โลหะผสมที่ย่อยสลายได้ อุณหภูมิในการทำงาน -65 ~ 165
ฉนวนกลาง กระจก

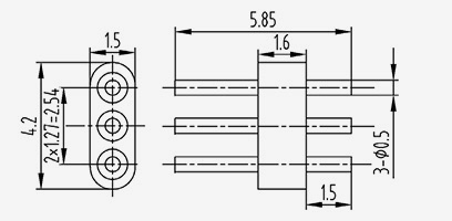
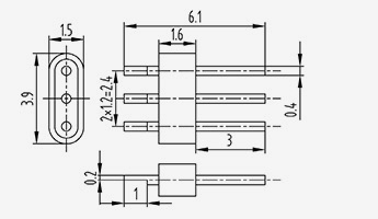
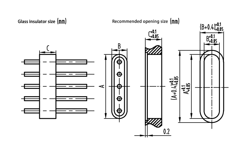
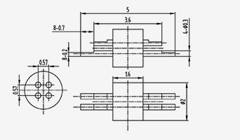
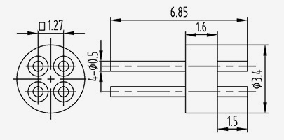
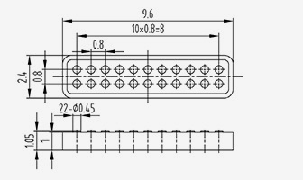
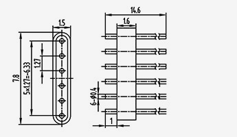
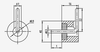
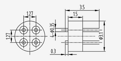
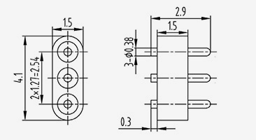
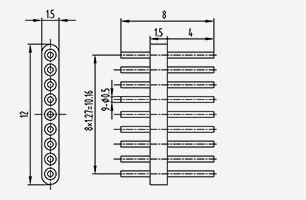
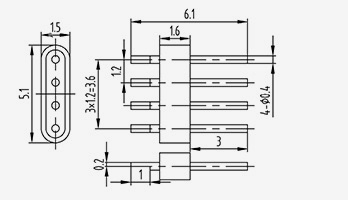
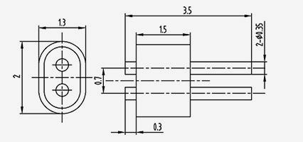
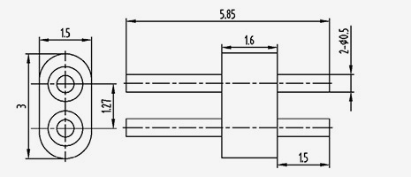
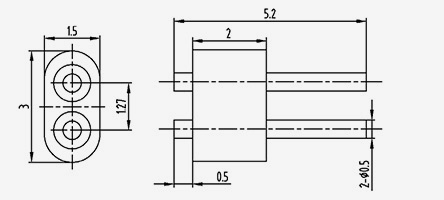
ขนาดการติดตั้งที่แนะนำสำหรับฉนวนแก้ว
ขนาดช่องเปิดการติดตั้งที่แนะนำสำหรับลูกถ้วยแก้วแกนเดี่ยวมีดังต่อไปนี้:

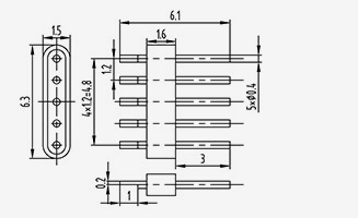
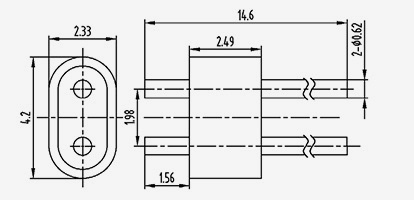
ขนาดช่องเปิดที่แนะนำสำหรับฉนวนแก้วแบบมัลติคอร์แสดงไว้ด้านล่าง:

การทดสอบประสิทธิภาพทางไฟฟ้าของฉนวนแก้ว:
ฉนวนแก้วอิมพีแดนซ์ลักษณะเฉพาะ 50 โอห์ม พร้อมขั้วต่อคลื่น SMA มาตรฐาน 2.92, 2.4 ฯลฯ มิลลิเมตร เชื่อมต่อที่ปลายทั้งสองข้างสำหรับการทดสอบประสิทธิภาพทางไฟฟ้า

RF SERIES
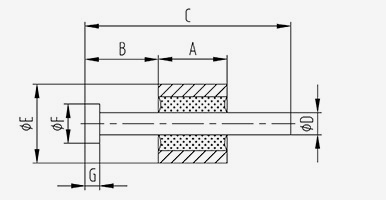
  • หัวกลมแกนเดี่ยวที่มีความต้านทานลักษณะเฉพาะ 50Ω
    หัวกลมแกนเดี่ยวที่มีความต้านทานลักษณะเฉพาะ 50Ω
    แบบอย่าง ขนาด (มม.)
    บี ดี อี
    HS1710-0.23(2.8-0.3) 1.73 1 0.23 2.8 0.3
    HS1710-0.23(6.2-2.7) 1.73 1 0.23 6.2 2.7
    HS1710A 1.73 1 0.23 3 1
    HS1714-0.23(2-0.3) 1.73 1.4 0.23 2 0.3
    V1714-0.23(2.69-0.5) 1.73 1.4 0.23 2.7 0.5
    V1714-0.23(3.9-1.7) 1.73 1.4 0.23 3.9 1.7
    V1714-0.23(4.5-1.7) 1.73 1.4 0.23 4.5 1.7
    HS1714-0.23(3-1.1) 1.73 1.4 0.23 3 1.1
    HSI714E 1.73 1.4 0.23 2.9 1
    HS1714F 1.73 1.4 0.23 2.79 0.9
    HS1715-0.23(3.2-0.8) 1.73 1.5 0.23 3.2 0.8
    HS1716A 1.73 1.65 0.23 3.4 1
    V1719-0.23(5.0-1.7) 1.73 1.9 0.23 5 1.7
    V1720-0.23(3.3-0.5) 1.73 2 0.23 3.3 0.5
    HS1720-0.23(3.7-1.2) 1.73 2 0.23 3.7 1.2
    V1720-0.23(4.0-1.0) 1.73 2 0.23 4 1
    HS1720-0.23(6-2) 1.73 2 0.23 6 2
    V1724-0.23(3.7-0.5) 1.73 2.4 0.23 3.7 0.5
    HS1724-0.23(4.5-1.7) 1.73 2.4 0.23 4.5 1.7
  • หัวกลมแกนเดี่ยวที่มีความต้านทานลักษณะเฉพาะ 50Ω
    หัวกลมแกนเดี่ยวที่มีความต้านทานลักษณะเฉพาะ 50Ω
    แบบอย่าง ขนาด (มม.)
    บี ดี อี
    V1727-0.23(4.0-0.5) 1.73 2.7 0.23 4 0.5
    HS1727A 1.73 2.7 0.23 4.7 1
    HS1728-0.23(4-0.5) 1.73 2.8 0.23 4 0.5
    HS1730-0.23(4.3-0.5) 1.73 3 0.23 4.3 0.5
    V1730-0.23(5.0-1.0) 1.73 3 0.23 5 1
    HS1734-0.23-01 1.73 3.4 0.23 5.2 1
    HS1744-0.23-01 1.73 4.4 0.23 6.2 1
    HS1749-0.23(8.9-2.0) 1.73 4.9 0.23 8.9 2
    HS1751A 1.73 5.1 0.23 5.9 0.4
    HS1756-0.23(6.6-0.5) 1.73 5.6 0.23 6.6 0.5
    HS1914-0.3(2.55-0.35) 1.9 1.4 0.3 2.55 0.35
    HS1914-0.3(3.2-1.1) 1.9 1.4 0.3 3.2 1.1
    HS1914C 1.9 1.4 0.3 3.6 0.7
    HS1914-0.3(4.4-2) 1.9 1.4 0.3 4.4 2
    HS1914-0.3(3.2-1.1) 1.9 1.4 0.3 3.2 1.1
    HS1914-0.3(3.8-1.2) 1.9 1.4 0.3 3.8 1.2
    HS1914-0.3(4.4-2) 1.9 1.4 0.3 4.4 2
    HS1916-0.3(4.7-0.8) 1.9 1.6 0.3 4.7 0.8
    HS1916B 1.9 1.6 0.3 4.9 0.8
  • หัวกลมแกนเดี่ยวที่มีความต้านทานลักษณะเฉพาะ 50Ω
    หัวกลมแกนเดี่ยวที่มีความต้านทานลักษณะเฉพาะ 50Ω
    แบบอย่าง ขนาด (มม.)
    บี ดี อี
    HS1917-0.3(3.45-1) 1.9 1.75 0.3 3.45 1
    HS1918-0.3(5.8-2) 1.9 1.8 0.3 5.8 2
    HS1918-0.3(7.8-4.2) 1.9 1.8 0.3 7.8 4.2
    HS1918-0.3(3.5-1) 1.95 1.8 0.3 3.5 1
    HS1934-0.3(4.6-0.4) 1.9 3.4 0.3 4.6 0.4
    HS2006-0.3(3.2-2) 2 0.6 0.3 3.2 2
    HS2008-0.3(1.32-0.26) 2 0.8 0.3 1.32 0.26
    HS2008F 2 0.8 0.3 1.7 0.45
    HS2008-0.3(1.8-0.3) 2 0.8 0.3 1.8 0.3
    HS2008-0.3(2.8-1.0) 2 0.8 0.3 2.8 1
    HS2008-0.3(3.0-1.5) 2 0.8 0.3 3 1.5
    HS2008-0.3(3.4-0.8) 2 0.8 0.3 3.4 0.8
    HS2008-0.3(3.6-1.2) 2 0.8 0.3 3.6 1.2
    HS2008-0.3(5.4-2.6) 2 0.8 0.3 5.4 2.6
    HS2008-0.3(6-2.6) 2 0.8 0.3 6 2.6
    HS2010-0.3(2.1-0.7) 2 1 0.3 2.1 0.7
    HS2010-0.3(2.5-1) 2 1 0.3 2.5 1
    HS2010-0.3(3.2-1.2) 2 1 0.3 3.2 1.2
    HS2011-0.3(2.1-0.5) 2 1.1 0.3 2.1 0.5
  • หัวกลมแกนเดี่ยวที่มีความต้านทานลักษณะเฉพาะ 50Ω
    หัวกลมแกนเดี่ยวที่มีความต้านทานลักษณะเฉพาะ 50Ω
    แบบอย่าง ขนาด (มม.)
    บี ดี อี
    HS2012A 2 1.2 0.3 3.5 1.2
    HS2012-0.3(6-1.8) 2 1.2 0.3 6 1.8
    HS2012-0.3(6.7-1.5) 2 1.2 0.3 6.7 1.5
    HS2013-0.3(2.3-0.5) 2 1.3 0.3 2.3 0.5
    HS2014-0.3(1.92-0.26) 2 1.4 0.3 1.92 0.26
    HS2014-0.3(2.12-0.36) 2 1.4 0.3 2.12 0.36
    HS2014-0.3(2.4-0.5) 2 1.4 0.3 2.4 0.5
    HS2014D 2 1.4 0.3 3.1 0.45
    HS2014-0.3(4.4-1.5) 2 1.4 0.3 4.4 1.5
    HS2014-0.3(4.4-1) 2 1.4 0.3 4.4 1
    HS2014-0.3(4.55-1.5) 2 1.4 0.3 4.55 1.5
    HS2014-0.3(4.65-1.5) 2 1.4 0.3 4.65 1.5
    HS2014-0.3(5.5-1.9) 2 1.4 0.3 5.5 1.9
    HS2014-0.3(5.7-1.8) 2 1.4 0.3 5.7 1.8
    HS2014-0.3(8.0-4.6) 2 1.4 0.3 8 4.6
    HS2014-0.3(8-1.9) 2 1.4 0.3 8 1.9
    HS2015-0.3(3.25-0.75) 2 1.5 0.3 3.25 0.75
    HS2016-0.3(2.7-0.7) 2 1.6 0.3 2.7 0.7
    HS2016-0.3(2.8-0.5) 2 1.6 0.3 2.8 0.5
  • หัวกลมแกนเดี่ยวที่มีความต้านทานลักษณะเฉพาะ 50Ω
    หัวกลมแกนเดี่ยวที่มีความต้านทานลักษณะเฉพาะ 50Ω
    แบบอย่าง ขนาด (มม.)
    บี ดี อี
    HS2016-0.3(3.5-1.2) 2 1.6 0.3 3.5 1.2
    HS2016-0.3(3.6-1) 2 1.6 0.3 3.6 1
    HS2016-0.3(3.9-0.4) 2 1.6 0.3 3.9 0.4
    HS2016E 2 1.6 0.3 3.9 0.6
    HS2016-0.3(4.1-1) 2 1.6 0.3 4.1 1
    HS2016-0.3(4.2-0.8) 2 1.6 0.3 4.2 0.8
    HS2016-0.3(4.6-1.2) 2 1.6 0.3 4.6 1.2
    HS2016-0.3(4.6-1.8) 2 1.6 0.3 4.6 1.8
    ก2559-0.3(5-2.9) 2 1.6 0.3 5 2.9
    HS2016-0.3(5.2-1.8) 2 1.6 0.3 5.2 1.8
    HS2016-0.3(8.0-4.6) 2 1.6 0.3 8 4.6
    HS2016-0.3(8-1.8) 2 1.6 0.3 8 1.8
    HS2016-0.3(12-2.4) 2 1.6 0.3 12 2.4
    HS2016-0.3(20.4-4.6) 2 1.6 0.3 20.4 4.6
    HS2017-0.3(3.3-0.8) 2 1.7 0.3 3.3 0.8
    HS2017-0.3(8.5-2.0) 2 1.7 0.3 8.5 2
    HS2018-0.3(3.5-1) 2 1.8 0.3 3.5 1
    HS2019-0.3-01 2 1.9 0.3
    HS2020-0.3(3.4-0.4) 2 2 0.3 3.4 0.4
  • หัวกลมแกนเดี่ยวที่มีความต้านทานลักษณะเฉพาะ 50Ω
    หัวกลมแกนเดี่ยวที่มีความต้านทานลักษณะเฉพาะ 50Ω
    แบบอย่าง ขนาด (มม.)
    บี ดี อี
    HS2020-0.3(3.8-0.8) 2 2 0.3 3.8 0.8
    HS2020-0.3(5.6-2.8) 2 2 0.3 5.6 2.8
    HS2020-0.3(5.7-2.9) 2 2 0.3 5.7 2.9
    HS2020-0.3(6-2) 2 2 0.3 6 2
    HS2020-0.3(12-5) 2 2 0.3 12 5
    HS2022F 2 2.2 0.3 3.1 0.45
    HS2022-0.3(3.2-0.7) 2 2.2 0.3 3.2 0.7
    HS2023-0.3(3.35-0.7) 2 2.3 0.3 3.35 0.7
    HS2023-0.3(3.7-0.7) 2 2.3 0.3 3.7 0.7
    HS2025-0.3(4.8-0.9) 2 2.5 0.3 4.8 0.9
    HS2025-0.3(6-1.5) 2 2.5 0.3 6 1.5
    HS2025-0.38(7.4-1.4) 2 2.5 0.38 7.4 1.4
    HS2026.5-0.3-01 2 2.6 5 0.3 0.1
    HS2028-0.3(4.9-0.5) 2 2.8 0.3 4.9 0.5
    HS2029-0.3(4.1-0.8) 2 2.9 0.3 4.1 0.8
    HS2029-0.3(4.9-0.5) 2 2.9 0.3 4.9 0.5
    HS2030-0.3(5.2-1.5) 2 3 0.3 5.2 1.5
    HS2030-0.3(5.8-1) 2 3 0.3 5.8 1
    HS2030-0.3(8-2) 2 3 0.3 8 2
  • หัวกลมแกนเดี่ยวที่มีความต้านทานลักษณะเฉพาะ 50Ω
    หัวกลมแกนเดี่ยวที่มีความต้านทานลักษณะเฉพาะ 50Ω
    แบบอย่าง ขนาด (มม.-
    บี ดี อี
    HS2030-0.3(9-1.5) 2 3 0.3 9 1.5
    HS2034-0.3(4.4-0.7) 2 3.4 0.3 4.4 0.7
    HS2035-0.3(6.6-1.8) 2 3.5 0.3 6.6 1.8
    HS2035-0.3(6.65-1.3) 2 3.5 0.3 6.65 1.3
    HS2035-0.3(7.1-1.3) 2 3.5 0.3 7.1 1.3
    HS2035-0.3(9.5-3) 2 3.5 0.3 9.5 3
    HS2036-0.3(5.7-0.7) 2 3.6 0.3 5.7 0.7
    HS2040A 2 4 0.3 5.1 0.8
    HS2045-0.7(11.5-2) 2 4.5 0.7 11.5 2
    HS2050-0.3(6.4-0.7) 2 5 0.3 6.4 0.7
    HS2507-0.38(2.2-0.3) 2.5 0.7 0.38 2.2 0.3
    HS2508-0.38(1.8-0.3) 2.5 0.8 0.38 1.8 0.3
    HS2508-0.38(2-0.5) 2.5 0.8 0.38 2 0.5
    HS2510-0.38(3.6-1.3 ) 2.5 1 0.38 3.6 1.3
    HS2510-0.38(7-3) 2.5 1 0.38 7 3
    HS2511-0.38(2..4-0.5) 2.5 1.1 0.38 2.4 0.5
    HS2511-0.38(3.7-0.6) 2.5 1.1 0.38 3.7 0.6
    HS2512-0.38(3.1-0.8) 2.5 1.1 0.38 3.7 0.6
    HS4414-0.3(3.2-1.1) 4.4 1.4 0.3 3.2 1.1
  • หัวกลมแกนเดี่ยวที่มีความต้านทานลักษณะเฉพาะ 50Ω
    หัวกลมแกนเดี่ยวที่มีความต้านทานลักษณะเฉพาะ 50Ω
    แบบอย่าง ขนาด (มม.)
    บี ดี อี
    HS2516-0.3(7.5-2.14) 2.5 1.6 0.3 7.5 2.14
    HS2516-0.3(8-1.8) 2.5 1.6 0.3 8 1.8
    HS2516-0.38(3.5-0.7) 2.5 1.6 0.38 3.5 0.7
    HS2516-0.38(4.1-1.25) 2.5 1.6 0.38 4.1 1.25
    HS2516-0.38(4.3-1.2) 2.5 1.6 0.38 4.3 1.2
    Ka2511-0.38(2.7-1.0) 2.5 1.1 0.38 2.7 1
    Ka2516-0.38(2.9-0.3) 2.5 1.6 0.38 2.9 0.3
    K2516-0.38(4-1.5) 2.5 1.6 0.38 4 1.5
    HS2516-0.38(4.5-1.2) 2.5 1.6 0.38 4.5 1.2
    HS2516-0.38(4.6-1) 2.5 1.6 0.38 4.6 1
    HS2516E 2.5 1.6 0.38 4.6 1.5
    HS2516G 2.5 1.6 0.38 4.6 1.5
    HS2516-0.38(4.8-1.2) 2.5 1.6 0.38 4.8 1.2
    HS2516-0.38(4.9-1.5) 2.5 1.6 0.38 4.9 1.5
    HS2516-0.38(5.1-1.6) 2.5 1.6 0.38 5.1 1.6
    HS2516-0.38(5.3-1.2) 2.5 1.6 0.38 5.3 1.2
    Ka2516-0.38(5.6-3.0) 2.5 1.6 0.38 5.6 3
    HS2516-0.38(6.1-1.3) 2.5 1.6 0.38 6.1 1.3
    HS2516-0.38(7.1-1.4) 2.5 1.6 0.38 7.1 1.4
  • หัวกลมแกนเดี่ยวที่มีความต้านทานลักษณะเฉพาะ 50Ω
    หัวกลมแกนเดี่ยวที่มีความต้านทานลักษณะเฉพาะ 50Ω
    แบบอย่าง ขนาด (มม.)
    บี ดี อี
    HS2516-0.38(7.41-1.27) 2.5 1.6 0.38 7.41 1.27
    HS2516F 2.5 1.6 0.38 7.45 4.55
    HS2516-0.38-01 2.5 1.6 0.38 7.5 1.3
    HS2516-0.38(8-1.8) 2.5 1.6 0.38 8 1.8
    RF2516-0.38(8-4.6) 2.5 1.6 0.38 8 4.6
    HS2516-0.38(8-5) 2.5 1.6 0.38 8 5
    K2516-0.38(8-1.5) 2.5 1.6 0.38 8 1.5
    K2516-0.38(8-5.9) 2.5 1.6 0.38 8 5.9
    HS2516-0.38(11.6-5) 2.5 1.6 0.38 11.6 5
    HS2516-0.38(12-2.0) 2.5 1.6 0.38 12 2
    HS2520-0.38(6-2) 2.5 2 0.38 6 2
    HS2520-0.38(7.4-1.4) 2.5 2 0.38 7.4 1.4
    HS2520-0.38(7.8-1.4) 2.5 2 0.38 7.8 1.4
    HS2520-0.38(9.0-2.0) 2.5 2 0.38 9 2
    HS2520-0.38(12-5) 2.5 2 0.38 12 5
    HS2520-0.38(15-2) 2.5 2 0.38 15 2
    HS2524-0.38(5.7-1.1) 2.5 2.4 0.38 5.7 1.1
    HS2526-0.38(6.6-2) 2.5 2.6 0.38 6.6 2
    HS2530-0.38(3.6-0.3) 2.5 3 0.38 3.6 0.3
  • หัวกลมแกนเดี่ยวที่มีความต้านทานลักษณะเฉพาะ 50Ω
    หัวกลมแกนเดี่ยวที่มีความต้านทานลักษณะเฉพาะ 50Ω
    แบบอย่าง ขนาด (มม.)
    บี ดี อี
    Ka2530-0.38(4.6-1.0) 2.5 3 0.38 4.6 1
    HS2530A 2.5 3 0.38 5 1
    HS2530-0.38(7.5-1.5) 2.5 3 0.38 7.5 1.5
    HS2530-0.38(8-0.4) 2.5 3 0.38 8 0.4
    HS2530-0.38(8-2) 2.5 3 0.38 8 2
    HS2530-0.38(9-3) 2.5 3 0.38 9 3
    HS2530-0.38(12-2.2) 2.5 3 0.38 12 2.2
    HS2530-0.38(13.9-8.2) 2.5 3 0.38 13.9 8.2
    HS2530-0.38(20-4) 2.5 3 0.38 20 4
    HS2533-0.38(6.5-1.2) 2.5 3.3 0.38 6.5 1.2
    HS2535-0.38(7.5-2) 2.5 3.5 0.38 7.5 2
    HS2537-0.38(7.7-2) 2.5 3.7 0.38 7.7 2
    HS2540-0.38(11-1.8) 2.5 4 0.38 11 1.8
    HS2545-0.38(8-1.3) 2.5 4.5 0.38 8 1.3
    HS2550-0.38(6.9-1.5) 2.5 5 0.38 6.9 1.5
    HS2550-0.38(11-2) 2.5 5 0.38 11 2
    HS2558-0.38(14.8-6) 2.5 5.8 0.38 14.8 6
    HS2575-0.38(12-1.3) 2.5 7.5 0.38 12 1.3
    HS2810-0.45(3.3-0.35) 2.8 1 0.45 3.3 0.35
  • หัวกลมแกนเดี่ยวที่มีความต้านทานลักษณะเฉพาะ 50Ω
    หัวกลมแกนเดี่ยวที่มีความต้านทานลักษณะเฉพาะ 50Ω
    แบบอย่าง ขนาด (มม.)
    บี ดี อี
    HS2815-0.45(5.75-1.25) 2.8 1.5 0.45 5.75 1.25
    HS2816-0.45(4.6-1.5) 2.8 1.6 0.45 4.6 1.5
    HS2816-0.45(4.9-1.8)-ร 2.8 1.6 0.45 4.9 1.8
    HS2816-0.45(5.1-1.5) 2.8 1.6 0.45 5.1 1.5
    HS2816-0.45(5.2-1.1) 2.8 1.6 0.45 5.2 1.1
    HS2816-0.45(5.4-2) 2.8 1.6 0.45 5.4 2
    HS2816-0.45(5.6-2) 2.8 1.6 0.45 5.6 2
    HS2816-0.45(6.2-1.8) 2.8 1.6 0.45 6.2 1.8
    HS2816-0.45(8.0-4.6) 2.8 1.6 0.45 8 4.6
    HS2816-0.45(8-1.8) 2.8 1.6 0.45 8 1.8
    HS2816-0.45(11.6-5) 2.8 1.6 0.45 11.6 5
    HS2816-0.45(12-3.0) 2.8 1.6 0.45 12 3
    HS2831-0.45(5.2-1.8) 2.8 3.1 0.45 5.2 1.8
    HS2843-0.45(8.3-2) 2.8 4.3 0.45 8.3 2
    HS3015-0.5(4.3-0.8) 3 1.5 0.5 4.3 0.8
    HS3016-0.5(3.4-0.9) 3 1.6 0.5 3.4 0.9
    HS3016-0.5(4.6-1) 3 1.6 0.5 4.6 1
    HS3016-0.5(4.6-1.5) 3 1.6 0.5 4.6 1.5
    HS3016B 3 1.6 0.38 4.9 1.8
  • หัวกลมแกนเดี่ยวที่มีความต้านทานลักษณะเฉพาะ 50Ω
    หัวกลมแกนเดี่ยวที่มีความต้านทานลักษณะเฉพาะ 50Ω
    แบบอย่าง ขนาด (มม.)
    บี ดี อี
    HS3016-0.5(5.6-2) 3 1.6 0.5 5.6 2
    HS3016C 3 1.6 0.5 6.6 2
    HS3016-0.5(6.6-2.5) 3 1.6 0.5 6.6 2.5
    HS3016-0.5(7.5-2) 3 1.6 0.5 7.5 2
    HS3016-0.5(7.5-3.9) 3 1.6 0.5 7.5 3.9
    HS3016-0.5(7.8-2.0) 3 1.6 0.5 7.8 2
    HS3016-0.5(9.65-3.05) 3 1.6 0.5 9.65 3.05
    HS3016-0.5(12-5.0) 3 1.6 0.5 12 5
    HS3016-0.5(14.3-1.5) 3 1.6 0.5 14.3 1.5
    HS3020-0.5(5-1.8) 3 2 0.5 5 1.8
    HS3020-0.5(6.0-1.5) 3 2 0.5 6 1.5
    HS3020-0.5(6.5-2.2) 3 2 0.5 6.5 2.2
    HS3020-0.5(6.5-2.3) 3 2 0.5 6.5 2.3
    HS3020-0.5(6.8-1.8) 3 2 0.5 6.8 1.8
    HS3020-0.5(7.5-2.2) 3 2 0.5 7.5 2.2
    HS3020-0.5(8-2) 3 2 0.5 8 2
    HS3020-0.5(8.5-2.2) 3 2 0.5 8.5 2.2
    HS3020-0.5(8.5-4.3) 3 2 0.5 8.5 4.3
    HS3020-0.5(10-4) 3 2 0.5 10 4
  • หัวกลมแกนเดี่ยวที่มีความต้านทานลักษณะเฉพาะ 50Ω
    หัวกลมแกนเดี่ยวที่มีความต้านทานลักษณะเฉพาะ 50Ω
    แบบอย่าง ขนาด (มม.)
    บี ดี อี
    HS3020-0.5(10-1.5) 3 2 0.5 10 1.5
    HS3020-0.5(12-4.0) 3 2 0.5 12 4
    HS3020-0.5(12-5.0) 3 2 0.5 12 5
    HS3020-0.5(12-6) 3 2 0.5 12 6
    HS3020-0.5(15-2) 3 2 0.5 15 2
    HS3025-0.5(5.4-1.2) 3 2.5 0.5 5.4 1.2
    HS3030A 3 3 0.38 10 1.5
    HS3030-0.5(6.5-2) 3 3 0.5 6.5 2
    HS3030-0.5(6.6-1.8) 3 3 0.5 6.6 1.8
    HS3030-0.5(7.5-2)-อาร์ 3 3 0.5 7.5 2
    HS3030-0.5(8.8-1.8) 3 3 0.5 8.8 1.8
    HS3030-0.5(10-2) 3 3 0.5 10 2
    HS3030-0.5(12-3) 3 3 0.5 12 3
    HS3030-0.5(12-2) 3 3 0.5 12 2
    HS3030-0.5(14-4.0) 3 3 0.5 14 4
    HS3035-0.5(6-1) 3 3.5 0.5 6 1
    HS3035-0.5(11.5-4) 3 3.5 0.5 11.5 4
    HS3040A 3 4 0.5 10.4 4
    HS3042-0.5(9.0-2.2) 3 4.2 0.5 9 2.2
  • หัวกลมแกนเดี่ยวที่มีความต้านทานลักษณะเฉพาะ 50Ω
    หัวกลมแกนเดี่ยวที่มีความต้านทานลักษณะเฉพาะ 50Ω
    แบบอย่าง ขนาด (มม.)
    บี ดี อี
    HS3045-0.5(8.5-2) 3 4.5 0.5 8.5 2
    HS3047-0.5(9.4-2.2) 3 4.7 0.5 9.4 2.2
    HS3047-0.5(12-5.1) 3 4.7 0.5 12 5.1
    HS3050-0.5(9-2) 3 5 0.5 9 2
    HS3052A 3 5.2 0.5 10.3 4
    HS3057-0.5(12.5-3) 3 5.7 0.5 12.5 3
    HS3620-0.5(9-2.5) 3.6 2 0.5 9 2.5
    HS3616-0.6(12.2-1.6) 3.6 1.6 0.6 12.2 1.6
    HS3625-0.6(6.5-2) 3.6 2.5 0.6 6.5 2
    HS2540-0.8(27-5) 2.5 4 0.8 27 5
    HS4030A 4 3 1 10.6 4.6
    HS5010-0.8(5.9-2.45) 5 1 0.8 5.9 2.45
    HS5015-0.8(7.3-4.9) 5 1.5 0.8 7.3 4.9
    HS5016B 5 1.6 0.8 5.6 2
    HS5016-0.8(8.6-3.0) 5 1.6 0.8 8.6 3
    HS5030-0.8(17.2-2) 5 3 0.8 17.2 2
    HS5040-0.8(12-3) 5 4 0.8 12 3
    HS5060-0.8(11.5-2.5) 5 6 0.8 11.5 2.5
    HS5065-0.8(13.7-3) 5 6.5 0.8 13.7 3
  • หัวกลมแกนเดี่ยวที่มีความต้านทานลักษณะเฉพาะ 50Ω
    หัวกลมแกนเดี่ยวที่มีความต้านทานลักษณะเฉพาะ 50Ω
    แบบอย่าง ขนาด (มม.)
    บี ดี อี
    HS5065-0.8(15.5-3) 5 6.5 0.8 15.5 3
    HS5516-0.9(8.3-2.8) 5.5 1.6 0.9 8.3 2.8
    HS5516-0.9(8.5-2.8) 5.5 1.6 0.9 8.5 2.8
    HS5516-0.9(8.7-2.8) 5.5 1.6 0.9 8.7 2.8
    HS5516-0.9(8.9-2.8) 5.5 1.6 0.9 8.9 2.8
    HS5516-0.9(9.1-2.8) 5.5 1.6 0.9 9.1 2.8
    HS5516-0.9(11.9-2.8) 5.5 1.6 0.9 11.9 2.8
    HS5516-0.9(12.6-2) 5.5 1.6 0.9 12.6 2
    HS5516-0.9(13.8-2.8) 5.5 1.6 0.9 13.8 2.8
    HS5525-0.9(9.7-1.6) 5.5 2.5 0.9 9.7 1.6
    HS5525-0.9(16-5) 5.5 2.5 0.9 16 5
    HS5530-0.9(8.8-2.3) 5.5 3 0.9 8.8 2.3
    HS5530-0.9(9.6-2.3) 5.5 3 0.9 9.6 2.3
    HS5530-0.9(13.8-2.8) 5.5 3 0.9 13.8 2.8
    HS5530A 5.5 3 1.35 13.5 7.5
    HS5530B 5.5 3 1.35 13.8 7.8
    HS6016-1.0(8.5-1.5) 6 1.6 1 8.5 1.5
    HS6840-0.9(7-1.5) 6.8 4 0.9 7 1.5
    HS8330-1.3(13-5) 8.3 3 1.3 13 5
  • อิมพีแดนซ์ลักษณะเฉพาะ 50Ω - หัวแบนแกนเดี่ยว
    อิมพีแดนซ์ลักษณะเฉพาะ 50Ω - หัวแบนแกนเดี่ยว
    แบบอย่าง ขนาด (มม.)
    บี ดี อี
    คา2008-0.3(1.4-0.3) 2 0.8 0.3 1.4 0.3
    HS2008-0.3(1.65-0.35) 2 0.8 0.3 1.65 0.35
    คา2008-0.3(1.8-0.3) 2 0.8 0.3 1.8 0.3
    HS2010-0.3(1.9-0.35) 2 1 0.3 1.9 0.35
    HS2010-0.3(2-0.5) 2 1 0.3 2 0.5
    HS2010-0.3(2.5-0.5) 2 1 0.3 2.5 0.5
    HS2013-0.3(2.4-0.4) 2 1.3 0.3 2.4 0.4
    HS2014-0.3(2.6-0.4) 2 1.4 0.3 2.6 0.4
    HS2014E 2 1.4 0.3 2.3 0.45
    HS2014F 2 1.4 0.3 2.35 0.5
    HS2016-0.3-01 2 1.6 0.3 3.1 1
    HS2016-0.3(3.3-0.7) 2 1.6 0.3 3.3 0.7
    HS2016-0.3-02 2 1.6 0.3 3.3 1
    HS2016-0.3(5.6-2) 2 1.6 0.3 5.6 2
    HS2019-0.3(3-0.35) 2 1.9 0.3 3 0.35
    HS2020-0.3-02 2 2 0.3 3.5 0.5
    HS2020-0.3(3.6-0.8) 2 2 0.3 3.6 0.8
    HS2030-0.3(4.2-0.7) 2 3 0.3 4.2 0.7
  • หัวกลมแกนเดี่ยวที่มีความต้านทานลักษณะเฉพาะ 50Ω
    หัวกลมแกนเดี่ยวที่มีความต้านทานลักษณะเฉพาะ 50Ω
    แบบอย่าง ขนาด (มม.)
    บี ดี อี
    HS8740-1.38(8.4-3.2) 8.7 4 1.38 8.4 3.2
    HS9430-1.5(9-3) 9.4 3 1.5 9 3
    HS9430-1.5(11-4) 9.4 3 1.5 11 4
    HS9640-1.5(9.2-3.2) 9.6 4 1.5 9.2 3.2
    HS10050-1.7(15-5) 10 5 1.7 15 5
    HS130100-3(18-4) 13 10 3 18 4
  • อิมพีแดนซ์ลักษณะเฉพาะ 50Ω - ปลายกลมแกนเดี่ยว
    อิมพีแดนซ์ลักษณะเฉพาะ 50Ω - ปลายกลมแกนเดี่ยว
    แบบอย่าง ขนาด (มม.)
    บี ดี อี
    HS2330-0.23(5.3-0.3) 2.3 3 0.23 5.3 0.3
    HS2815-0.3(5.2-1.2) 2.8 1.5 0.3 5.2 1.2
    HS2815-0.3(7.2-1.2) 2.8 1.5 0.3 7.2 1.2
    HS2635-0.3(7.1-1.3) 2.6 3.5 0.3 7.1 1.3
    HS3822-0.5(14.4-3.7) 3.8 2.2 0.5 14.4 3.7
    HS3525-0.5(11.5-6) 3.5 2.5 0.5 11.5 6
  • อิมพีแดนซ์ลักษณะเฉพาะ 50Ω - หัวแบนแกนเดี่ยว
    อิมพีแดนซ์ลักษณะเฉพาะ 50Ω - หัวแบนแกนเดี่ยว
    แบบอย่าง ขนาด (มม.)
    บี ดี อี
    HS2516-0.38(5.1-2) 2.5 1.6 0.38 5.1 2
    HS2516-0.38(7.37-4.5) 2.5 1.6 0.38 7.37 4.5
    HS2517-0.38-01 2.5 1.7 0.38 2.7 0.65
    HS2520-0.38(3.2-0.5) 2.5 2 0.38 3.2 0.5
    HS2525-0.38-01 2.5 2.5 0.38 3.65 0.65
    HS2530-0.38(7.5-2.5) 2.5 3 0.38 7.5 2.5
    HS2816-0.45(4.9-1.8) 2.8 1.6 0.45 4.9 1.8
    HS2816-0.45-01 2.8 1.6 0.45 5 3
    HS2816-0.45(6-1.5) 2.8 1.6 0.45 6 1.5
    HS3030-0.5(7.5-2) 3 3 0.5 7.5 2
  • อิมพีแดนซ์ลักษณะเฉพาะ 50Ω - ปลายกลมแบนแกนเดี่ยว
    อิมพีแดนซ์ลักษณะเฉพาะ 50Ω - ปลายกลมแบนแกนเดี่ยว
    แบบอย่าง ขนาด (มม.)
    บี ดี อี
    HS2006-0.3(3.1-1.8) 2 0.6 0.3 3.1 1.8
    HS2010-0.3(3.5-2) 2 1 0.3 3.5 2
    HS2020-0.3-01 2 2 0.3 3.7 0.6
    HS2035-0.3(6.4-1.8) 2 3.5 0.3 6.4 1.8
    HS2816-0.45(11.7-7.6) 2.8 1.6 0.45 11.7 7.6
    HS3020-0.5(10-6.5) 3 2 0.5 10 6.5
    HS3216-0.5(7.1-4) 3.2 1.6 0.5 7.1 4
    HS6448-1.0(10.2-3.5) 6.4 4.8 1 10.2 3.5
  • Ka2032-0.3(4.5-1.3)
    Ka2032-0.3(4.5-1.3)
    แบบอย่าง
    Ka2032-0.3(4.5-1.3)
  • K2010-0.3(1.05-0.05)
    K2010-0.3(1.05-0.05)
    แบบอย่าง
    K2010-0.3(1.05-0.05)
  • HS2510-0.3-02
    HS2510-0.3-02
    แบบอย่าง
    HS2510-0.3-02
  • HS3520-0.5(3.4-0.3)
    HS3520-0.5(3.4-0.3)
    แบบอย่าง
    HS3520-0.5(3.4-0.3)
  • Ka3216-0.5(5.85-1.5)
    Ka3216-0.5(5.85-1.5)
    แบบอย่าง
    Ka3216-0.5(5.85-1.5)
  • K2515-0.38(2.9-0.3)
    K2515-0.38(2.9-0.3)
    แบบอย่าง
    K2515-0.38(2.9-0.3)
  • 2-K482515-0.38(2.9-0.3)
    2-K482515-0.38(2.9-0.3)
    แบบอย่าง
    2-K482515-0.38(2.9-0.3)
  • KW2016-0.3(0.7-1.6)
    KW2016-0.3(0.7-1.6)
    แบบอย่าง
    KW2016-0.3(0.7-1.6)
  • KW2016-0.3(1-2.2)
    KW2016-0.3(1-2.2)
    แบบอย่าง
    KW2016-0.3(1-2.2)
  • KW2025-0.3(1-2.2)
    KW2025-0.3(1-2.2)
    แบบอย่าง
    KW2025-0.3(1-2.2)
  • JPW2040-0.3-01
    JPW2040-0.3-01
    แบบอย่าง
    JPW2040-0.3-01
  • KW2018-0.3(0.95-2.1)
    KW2018-0.3(0.95-2.1)
    แบบอย่าง
    KW2018-0.3(0.95-2.1)
  • อิมพีแดนซ์ลักษณะเฉพาะที่ไม่ใช่50Ω-ปลายกลมแกนเดี่ยว
    อิมพีแดนซ์ลักษณะเฉพาะที่ไม่ใช่50Ω-ปลายกลมแกนเดี่ยว
    แบบอย่าง ขนาด (มม.)
    บี ดี อี
    JD1515-0.4(5-1.5) 1.5 1.5 0.4 5 5
    JD1615-0.4(8-1.9) 1.6 1.5 0.4 8 8
    JD1616-0.4(30-14.2) 1.6 1.6 0.4 30 30
    JD1614-0.45(11.4-5) 1.6 1.4 0.45 11.4 11.4
    JD1616-0.45(4.65-1.05) 1.6 1.6 0.45 4.65 4.65
    เจดี1616-0.45(16-4) 1.6 1.6 0.45 16 16
    JD1616-0.45(30-14.2) 1.6 1.6 0.45 30 30
    JD2020-0.45(6.3-3) 2 2 0.45 6.3 6.3
    JD2020-0.45(10-4) 2 2 0.45 10 10
    เจดี1614-0.5(9-4) 1.6 1.4 0.5 9 9
    JD1616-0.5(30-14.2) 1.6 1.6 0.5 30 30
    JD1619-0.5(5.1-2) 1.6 1.9 0.5 5.1 5.1
    HS2015-0.5(7.5-3) 2 1.5 0.5 7.5 7.5
    JD2016-0.5(12-5.8)-ร 2 1.6 0.5 12 12
    HS2018-0.5(9.5-1.5) 2 1.8 0.5 9.5 9.5
    HS2018-0.5(11.5-7.2) 2 1.8 0.5 11.5 11.5
    HS2030-0.5(10-2) 2 3 0.5 10 10
    JD1919-0.6(7.9-1.9)-฿ 1.9 1.9 0.6 7.9 7.9
  • อิมพีแดนซ์ลักษณะเฉพาะที่ไม่ใช่50Ω-ปลายกลมแกนเดี่ยว
    อิมพีแดนซ์ลักษณะเฉพาะที่ไม่ใช่50Ω-ปลายกลมแกนเดี่ยว
    แบบอย่าง ขนาด (มม.)
    บี ดี อี
    HS2040-0.6(6-1) 2 4 0.6 6 1
    เจดี1818-0.7(10-6) 1.8 1.8 0.7 10 6
    เจดี1818-0.7(22.2-0.4) 1.8 1.8 0.7 22.2 0.4
    HS2016-0.7(4.6-1.5) 2 1.6 0.7 4.6 1.5
    HS2016-0.7(6.3-1.5) 2 1.6 0.7 6.3 1.5
    HS2016-0.7(7.1-1.5)-ร 2 1.6 0.7 7.1 1.5
    HS2016-0.7(7.6-1.5) 2 1.6 0.7 7.6 1.5
    HS2016-0.7(9.6-4) 2 1.6 0.7 9.6 4
    ค2016-0.7(11-4.6) 2 1.6 0.7 11 4.6
    HS2016-0.7(11.6-5) 2 1.6 0.7 11.6 5
    HS2016-0.7(17-15.1) 2 1.6 0.7 17 15.1
    HS2016-0.7(20-0.3) 2 1.6 0.7 20 0.3
    HS2017-0.7(9.7-3) 2 1.7 0.7 9.7 3
    HS2035-0.7(13-3) 2 3.5 0.7 13 3
    HS2020-0.75(12-4) 2 2 0.75 12 4
    HS2015-0.8(6.5-3) 2 1.5 0.8 6.5 3
    เจดี2015-0.8(10.5-3) 2 1.5 0.8 10.5 3
    JD2063-0.5(10.3-2) 2 6.3 0.5 10.3 2
  • อิมพีแดนซ์ลักษณะเฉพาะที่ไม่ใช่50Ω-ปลายกลมแกนเดี่ยว
    อิมพีแดนซ์ลักษณะเฉพาะที่ไม่ใช่50Ω-ปลายกลมแกนเดี่ยว
    แบบอย่าง ขนาด (มม.)
    บี ดี อี
    JD2518-0.8(12.8-5) 2.5 1.8 0.8 12.8 5
    JD2520-0.8(14-4) 2.5 2 0.8 14 4
    JD2540-0.8(10-4) 2.5 4 0.8 10 4
    JD3218-0.8(51.8-20) 3.2 1.8 0.8 51.8 20
    JD2530-0.9(6.6-1.8) 2.5 3 0.9 6.6 1.8
    JD2540A 2.5 4 0.8 10 4
    เจดี2816-1(6.6-2) 2.8 1.6 1 6.6 2
    K2816-1.0(16-10) 2.8 1.6 1 16 10
    JD3218-1(27-15) 3.2 1.8 1 27 15
    JD3015-1.3(10.2-6.1) 3 1.5 1.3 10.2 6.1
    JD3015-1.3(10.5-3) 3 1.5 1.3 10.5 3
    JD3430-1.4(10.5-4.5) 3.4 3 1.4 10.5 4.5
    JD12940-1.7(10-3) 12.9 4 1.7 10 3
    JD3916-2(6.6-2) 3.9 1.6 2 6.6 2
  • หัวแบนแบบแกนเดี่ยวที่มีความต้านทานลักษณะเฉพาะที่ไม่ใช่ 50Ω
    หัวแบนแบบแกนเดี่ยวที่มีความต้านทานลักษณะเฉพาะที่ไม่ใช่ 50Ω
    แบบอย่าง ขนาด (มม.)
    บี ดี อี
    JD1510-0.3-01 1.5 1 0.3 5.5 1.5
    JD1315-0.35-01 1.3 1.5 0.35 3.5 0.3
    JD1515-0.4(4.5-0.5) 1.5 1.5 0.4 4.5 0.5
    JD1516-0.4-01 1.5 1.6 0.4 14.6 1
    JD1615-0.5(7-0.5) 1.6 1.5 0.5 7 0.5
    เจดี1619-0.5(8.7-3) 1.6 1.9 0.5 8.7 3
    JD1619-0.5(10.3-4.6) 1.6 1.9 0.5 10.3 4.6
    JD2016-0.5(4.5-0.6) 2 1.6 0.5 4.5 0.6
    JD2016-0.5(12-5.8) 2 1.6 0.5 12 5.8
    JD2020-0.5-01 2 2 0.5 5.2 0.5
    JD2044-0.5(6.3-0.4) 2 4.4 0.5 6.3 0.4
    เจดี1919-0.6(7.9-1.9) 1.9 1.9 0.6 7.9 1.9
    RF2010-0.7(6.0-3.0) 2 1 0.7 6 3
    JD2015-0.8(6.5-3) 2 1.5 0.8 6.5 3
    RF2016-0.8(6.6-4.5) 2 1.6 0.8 6.6 4.5
    JD2816-1(10.3-4.9) 2.8 1.6 1 10.3 4.9
  • อิมพีแดนซ์ลักษณะเฉพาะที่ไม่ใช่50Ω-ปลายกลมแบนแกนเดี่ยว
    อิมพีแดนซ์ลักษณะเฉพาะที่ไม่ใช่50Ω-ปลายกลมแบนแกนเดี่ยว
    แบบอย่าง ขนาด (มม.)
    บี ดี อี
    RF1515-0.38(2.9-0.3) 1.5 1.5 0.38 2.9 0.3
    JD1614-0.5(17.9-0.5) 1.6 1.4 0.5 17.9 0.5
    JD1615-0.5(9-2.5) 1.6 1.5 0.5 9 2.5
    JD2016-0.7(8.1-4.5) 2 1.6 0.7 8.4 4.5
    JD2040-0.6(10-4.5) 2 4 0.6 10 4.5
    JD2016-0.7(9.1-2.5) 2 1.6 0.7 9.1 2.5
    JD2035-0.7(22-3) 2 3.5 0.7 22 3
  • อิมพีแดนซ์ลักษณะเฉพาะที่ไม่ใช่50Ω - ชนิดหัวตะปู
    อิมพีแดนซ์ลักษณะเฉพาะที่ไม่ใช่50Ω - ชนิดหัวตะปู
    แบบอย่าง ขนาด (มม.)
    บี ดี อี เอฟ
    JD1616-0.45(4.2-1.5) 1.4 1.5 4.2 0.45 1.6 0.8 0.3
    JD1614-0.45(6.2-0.8) 1.4 0.8 6.2 0.45 1.6 0.8 0.3
    JD1614-0.45(6.9-1.5) 1.4 1.5 6.9 0.45 1.6 0.8 0.2
    เจดี1620-0.45(7-1) 2 1 7 0.45 1.6 1 0.3
    JD1630-0.5(7.5-0.5) 3 0.5 7.5 0.5 1.6 0.6 0.2
    JD1630-0.5(10.5-0.5) 3 0.5 10.5 0.5 1.6 0.6 0.2
    เจดี1816-0.5(20-0.5) 1.6 0.5 20 0.5 1.8 0.7 0.3
    JD2020B 2 2 0.6 5.7 1
  • เจพี2016-0.7(7.1-1.5)
    เจพี2016-0.7(7.1-1.5)
    แบบอย่าง
    เจพี2016-0.7(7.1-1.5)

    แบบอย่าง ขนาด (มม.)
    บี ดี อี เอฟ
    JD1614-0.45(6.9-1.5)-ร 1.4 1.5 6.9 0.45 1.6 0.8 0.2
    JD1630-0.5(7.5-0.5)-฿ 3 0.5 7.5 0.5 1.6 0.6 0.2
  • อิมพีแดนซ์ลักษณะเฉพาะที่ไม่ใช่50Ω - ชนิดหัวตะปู
    อิมพีแดนซ์ลักษณะเฉพาะที่ไม่ใช่50Ω - ชนิดหัวตะปู
    แบบอย่าง ขนาด (มม.)
    บี ดี อี เอฟ
    JD1614-0.45(6.9-1.5)-ร 1.4 1.5 6.9 0.45 1.6 0.8 0.2
    JD1630-0.5(7.5-0.5)-฿ 3 0.5 7.5 0.5 1.6 0.6 0.2
  • JD1516-0.4-02
    JD1516-0.4-02
    แบบอย่าง
    JD1516-0.4-02
  • RF1816-0.8(6.6-4.5)-2
    RF1816-0.8(6.6-4.5)-2
    แบบอย่าง
    RF1816-0.8(6.6-4.5)-2
  • 2-RF281515-0.38(2.9-0.3)
    2-RF281515-0.38(2.9-0.3)
    แบบอย่าง
    2-RF281515-0.38(2.9-0.3)
  • 2-RF301516-0.5(5.85-1.5)
    2-RF301516-0.5(5.85-1.5)
    แบบอย่าง
    2-RF301516-0.5(5.85-1.5)
  • JD301520-0.5-01
    JD301520-0.5-01
    แบบอย่าง
    JD301520-0.5-01
  • JD301515-0.5-01
    JD301515-0.5-01
    แบบอย่าง
    JD301515-0.5-01
  • JD201315-0.35-01
    JD201315-0.35-01
    แบบอย่าง
    JD301515-0.5-01
  • JD271516-0.4-02
    JD271516-0.4-02
    แบบอย่าง
    JD271516-0.4-02
  • JD271516-0.4-01
    JD271516-0.4-01
    แบบอย่าง
    JD271516-0.4-01
  • JD2615-0.35-01
    JD2615-0.35-01
    แบบอย่าง
    JD2615-0.35-01
  • 3-RF411515-0.38(2.9-0.3)
    3-RF411515-0.38(2.9-0.3)
    แบบอย่าง
    3-RF411515-0.38(2.9-0.3)
  • 3-RF421516-0.5(5.85-1.5)
    3-RF421516-0.5(5.85-1.5)
    แบบอย่าง
    3-RF421516-0.5(5.85-1.5)
  • JD261516-0.3-01
    JD261516-0.3-01
    แบบอย่าง
    JD261516-0.3-01
  • JD391516-0.4-01
    JD391516-0.4-01
    แบบอย่าง
    JD391516-0.4-01
  • JD2815-0.35-01
    JD2815-0.35-01
    แบบอย่าง
    JD2815-0.35-01
  • RF3416-0.8(6.6-4.5)-4
    RF3416-0.8(6.6-4.5)-4
    แบบอย่าง
    RF3416-0.8(6.6-4.5)-4
  • 4-RF3416-0.5(5.85-1.5)
    4-RF3416-0.5(5.85-1.5)
    แบบอย่าง
    4-RF3416-0.5(5.85-1.5)
  • JD341315-0.35-01
    JD341315-0.35-01
    แบบอย่าง
    JD341315-0.35-01
  • JD272716-0.4-01
    JD272716-0.4-01
    แบบอย่าง
    JD272716-0.4-01
  • JD511516-0.4-01
    JD511516-0.4-01
    แบบอย่าง
    JD511516-0.4-01
  • เจดี2016-0.3-01
    เจดี2016-0.3-01
    แบบอย่าง
    JD2016-0.3-01
  • JD3115-0.35-01
    JD3115-0.35-01
    แบบอย่าง
    JD3115-0.35-01
  • JD631516-0.4-01
    JD631516-0.4-01
    แบบอย่าง
    JD631516-0.4-01
  • RF1816-0.8(6.6-4.5)-6
    RF1816-0.8(6.6-4.5)-6
    แบบอย่าง
    RF1816-0.8(6.6-4.5)-6
  • 6-RF811515-0.5(0.5-8.2)
    6-RF811515-0.5(0.5-8.2)
    แบบอย่าง
    6-RF811515-0.5(0.5-8.2)
  • 6-RF821515-0.5(5.5-2.5)
    6-RF821515-0.5(5.5-2.5)
    แบบอย่าง
    6-RF821515-0.5(5.5-2.5)
  • JD501516-0.4-01
    JD501516-0.4-01
    แบบอย่าง
    JD501516-0.4-01
  • JD811520-0.5-0.1
    JD811520-0.5-0.1
    แบบอย่าง
    JD811520-0.5-0.1
  • 7-RF941515-0.5(5.5-2.5)
    7-RF941515-0.5(5.5-2.5)
    แบบอย่าง
    7-RF941515-0.5(5.5-2.5)
  • JD1201515-0.5-01
    JD1201515-0.5-01
    แบบอย่าง
    JD1201515-0.5-01
  • เจเอ็มซี-265-เจเอช
    เจเอ็มซี-265-เจเอช
    แบบอย่าง
    JMC-265-JH
  • JD1201515-0.5-02
    JD1201515-0.5-02
    แบบอย่าง
    JD1201515-0.5-02
  • RF1816-0.8(6.6-4.5)-9
    RF1816-0.8(6.6-4.5)-9
    แบบอย่าง
    RF1816-0.8(6.6-4.5)-9
  • JYZ22-0.45-01
    JYZ22-0.45-01
    แบบอย่าง
    JYZ22-0.45-01
  • อิมพีแดนซ์ลักษณะเฉพาะที่ไม่ใช่50Ω - มัลติคอร์
    อิมพีแดนซ์ลักษณะเฉพาะที่ไม่ใช่50Ω - มัลติคอร์
    แบบอย่าง ขนาด (มม.)
    บี ดี อี เอฟ ชม การดึงผ่าน แถว การสิ้นสุด
    JD156018-0.3(27.2-0.8)-8 27.2 0.8 1.4 6 1.8 0.6 0.3 0 8 1 การยึดเกาะหน้าด้านบนของตัวนำด้านใน
    JD151152-0.3(4.5-1.5)-9 4.5 1.5 1.5 11.5 2 1.27 0.3 0 9 1 การบัดกรี
    2-JD162020-0.3(5-1.7)-4 ก1=5
    ก2=3.6
    บี1=1.7
    บี2=1
    1.6 2 2 0.57 0.3 0.57 4 2 เอฟlat bonding on both sides of the inner conductors
    2-JD162020-0.3(7.6-1.7)-4 ก1=7.6
    ก2=3.6
    บี1=1.7
    บี2=1
    1.6 2 2 0.57 0.3 0.56 4 2 เอฟlat bonding on both sides of inner conductor ends
    JD158215-0.38(7-0.8)-6 7 0.8 1.5 8.2 1.5 1.27 0.38 0 6 1 การต่อเล็บศีรษะส่วนบนบนใบหน้า
    JD153015-0.38(8-1.9)-2 8 1.9 1.5 3 1.5 1.27 0.38 0 2 1 เชื่อม
    2-JD162525-0.38(10.6-3.5)-4 10.6 3.5 1.6 2.5 2.5 0.71 0.38 0.71 4 2 การบัดกรี
    2-JD187425-0.38(3.8-1)-16 ก1=3.8
    ก2=5.2
    บี1=1
    บี2=1.7
    1.8 7.4 2.5
    4
    0.88 0.38 1.02 16 2 ตัวนำด้านในจะแบนและถูกผูกมัดไปด้านข้าง
    JD1510516-0.45(7.5-2)-8 7.5 2 1.5 10.5 1.6 1.27 0.45 0 8 1 การบัดกรี
    JD155515-0.5(5.7-1.7}-4 5.7 1.7 1.5 5.5 1.5 1.27 0.5 0 4 1 ตัวนำด้านในด้านบนมีการยึดเกาะแบบเรียบ
    JD1512015-0.5(5.8-2.5)-9 5.8 2.5 1.5 12 1.5 1.27 0.5 0 9 1 ตัวนำด้านในด้านล่างมีการยึดติดด้านแบน
    JD153015-0.5(7-0.5)-2 7 0.5 1.5 3 1.5 1.27 0.5 0 2 1 บีonding of inner conductor ends
  • อิมพีแดนซ์ลักษณะเฉพาะที่ไม่ใช่50Ω - มัลติคอร์
    อิมพีแดนซ์ลักษณะเฉพาะที่ไม่ใช่50Ω - มัลติคอร์
    แบบอย่าง ขนาด (มม.)
    บี ดี อี เอฟ ชม การดึงผ่าน แถว การสิ้นสุด
    JD153815-0.5(7.7-1.2)-2 7.7 1.2 1.5 3.8 1.5 2.1 0.5 0 2 1 ตัวนำด้านในด้านบนมีการยึดเกาะแบบเรียบ
    JD153015-0.5(13.5-4)-2 13.5 4 1.5 3 1.5 1.27 0.5 0 2 1 การเชื่อม
    JD1613215-0.5(10.6-2)-10 10.6 2 1.6 13.2 1.5 1.27 0.5 0 10 1 การบัดกรี
    JD302915-0.5(8-1)-2 8 1 3 2.9 1.5 1.27 0.5 0 2 1 การยึดเกาะหน้าด้านบนของตัวนำด้านใน
    2-JD165528-0.5(7.6-1)-8 7.6 1 1.6 5.5 2.8 1.07 0.5 0 8 2 การยึดเกาะหน้าด้านบนของตัวนำด้านใน
    2-JD154330-0.5(5.8-2)-5 กl=5.8
    ก2=5.1
    บี1=2
    บี2=1.3
    1.5 4.3 3 1.27 0.5 1.5 5 2 ประสานด้านบนให้แบน
    2-JD156830-0.5(5.8-2)-9 กl=5.8
    ก2=5.1
    บี1=2
    บี2=1.3
    1.5 6.8 n 1.27 0.5 1.5 6 2 การเชื่อมทำให้แบนของตัวนำด้านในด้านบน
    2-JD1512030-0.5(9.3-2.8)-18 ก1=9.3
    ก2=8
    บี1=2.8
    บี2=1.5
    1.5 12 3 1.27 0.5 1.5 18 2 การเชื่อม Flattening of inner conductor ends
    3-JD155545-0.5(9.5-4)-12 กl=9.5
    ก2=7.5
    ก3=5.5
    บี1=4
    บี2=3
    บี3=2
    1.5 5.5 4.5 1.27 0.5 1.5 12 3 การบัดกรี
    2-JD207015-0.6(7-3)-10 ก1=7
    ก2=6
    บี1=3
    บี2=2
    2 7 1.5 1.27 0.6 1.5 10 2 ตัวนำด้านในแบนและยึดติดทั้งสองด้าน
    2-JD3012230-0.6(10.8-5)18 10.8 5 3 12.2 3 1.27 0.6 1.5 18 2 การเชื่อมแบบแบนด้านตัวนำด้านในด้านล่าง
  • JYZ22-0.45-02
    JYZ22-0.45-02
    แบบอย่าง
    JYZ22-0.45-02

ให้อยู่ในการติดต่อ

[#ป้อนข้อมูล#]
ส่ง
เกี่ยวกับเรา
Ningbo Hanson Communication Technology Co. , Ltd.
Ningbo Hanson Communication Technology Co. , Ltd.
Ningbo Hanson Communication Technology Co., Ltd. is China ฉนวนแก้ว RF Supplier and Custom ฉนวนแก้ว RF Company. We are a manufacturer specializing in the production, processing, and trade of communication components, with more than 30 years of experience in RF coaxial connectors, adapters, and cable assemblies. ขณะนี้บริษัทได้พัฒนาโรงผลิตเครื่องจักร โรงชุบโลหะด้วยไฟฟ้า โรงประกอบ และกลุ่มซัพพลายเออร์ที่มั่นคงและเชื่อถือได้ วัตถุประสงค์ของบริษัทคือเพื่อให้ลูกค้าได้รับผลิตภัณฑ์คุณภาพสูง สินค้าหลัก คือตัวเชื่อมต่อโคแอกเซียล RF, อะแดปเตอร์, ชุดสายเคเบิลความถี่สูง และชุดสายเคเบิลอินเตอร์โมดูเลชั่นต่ำ นอกจากนี้บริษัทยังสามารถให้บริการสำหรับลูกค้าที่มีความต้องการเฉพาะเพื่อตอบสนองความต้องการพิเศษของลูกค้าสำหรับผลิตภัณฑ์ ผลิตภัณฑ์ของบริษัทมีการใช้กันอย่างแพร่หลายในการบินและอวกาศ สถานีฐานการสื่อสาร อุปกรณ์ทางการแพทย์ และสาขาเทคโนโลยีขั้นสูงอื่นๆ ในช่วงเวลาแห่งการปฏิรูปองค์กร นวัตกรรม การพัฒนา และการเติบโต บริษัทได้ริเริ่มที่จะเข้าร่วมระบบการจัดการคุณภาพระดับสากล ISO9001 และปรับปรุงระดับการจัดการอย่างต่อเนื่องเพื่อมอบผลิตภัณฑ์และบริการที่น่าพอใจมากขึ้นให้แก่ลูกค้าทั้งเก่าและใหม่
ข่าวล่าสุด
กำลังมองหาโอกาสทางธุรกิจอยู่ใช่ไหม?

ขอสายวันนี้