OEM ขั้วต่อ TNC Supplier

ขั้วต่อ TNC

คำอธิบาย:

ตัวเชื่อมต่อโคแอกเซียล RF ซีรีส์ TNC ได้รับการพัฒนาและผลิตตามมาตรฐานกองทัพสหรัฐฯ MIL-C-39012 มีคุณลักษณะแบนด์วิธกว้าง การเชื่อมต่อที่เชื่อถือได้ และทนต่อแรงกระแทกได้ดี เหมาะสำหรับขั้วต่อและสายเคเบิล RF สำหรับสัญญาณอินพุตและเอาต์พุตของอุปกรณ์วิทยุ เครื่องมืออิเล็กทรอนิกส์ ส่วนประกอบเลเซอร์ต่างๆ

พารามิเตอร์:

ข้อมูลจำเพาะทางเทคนิคหลัก:
◆ ลักษณะความต้านทาน: 50Ω
◆ ช่วงความถี่: DC-18GHz
◆ ความต้านทานของฉนวน: ≥5000MΩ
◆ แรงดันไฟฟ้าทนต่ออิเล็กทริก: 1500V(rms)
◆ อัตราส่วนคลื่นยืนแรงดันไฟฟ้า (VSWR): ≤1.30
◆ รอบการผสมพันธุ์: 500 ครั้ง

สอบถาม

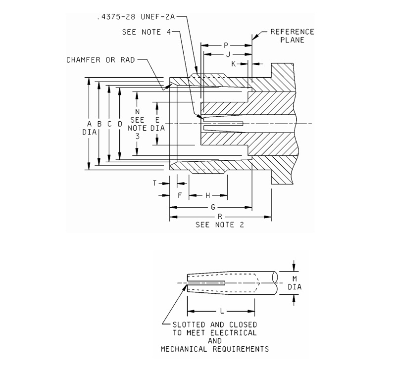
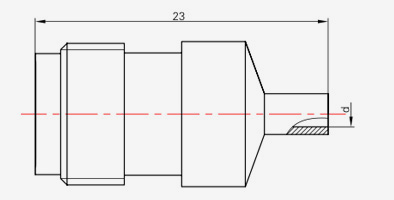
สลัว
ร.ต
มิลลิเมตร (นิ้ว)
ขั้นต่ำ สูงสุด
.378 (9.60) .381 (9.68)
บี .346 (8.79) .356 (9.04)
.327 (8.31) .333 (8.46)
ดี .319 (8.10) .321 (8.15)
อี - .186 (4.72)
เอฟ .068 (1.73) .088 (2.24)
.327 (8.31) .335 (8.51)
ชม .187 (4.75) -
เจ .186 (4.72) .206 (5.23)
เค - .006 (0.15)
.195 (4.95) -
.081 (2.06) .087 (2.21)
เอ็น - .256 (6.50)
.188 (4.78) .208 (5.28)
.414 (10.52) -
.015 (0.38) .030 (0.76)

หมายเหตุ:
1. อินเทอร์เฟซนี้จะต้องเป็นไปตามข้อกำหนดเกจตามที่ระบุไว้ใน
มIL-ปรเอฟ-39012/28.
2. ระยะห่างสำหรับน็อตข้อต่อตัวเชื่อมต่อการผสมพันธุ์
3. มิติใช้กับส่วนนั้น (ถ้ามี) ของอิเล็กทริก
ซึ่งยื่นออกมาเกินโลหะ
ไหล่ (หรือระนาบอ้างอิง) ตามมิติ เค
4. Iดี เพื่อให้ตรงกับ VSwR เมื่อจับคู่กับพินเส้นผ่านศูนย์กลาง .052 นิ้ว (1.32 มม.)/.054 (1.37 มม.)

สลัว
ร.ต
มิลลิเมตร (นิ้ว)
ขั้นต่ำ สูงสุด
.440 (11.18) -
บี ชauge test
.190 (4.83) -
ดี .052 (1.32) .054 (1.37)
อี .210 (5.33) .230 (5.84)
เอฟ .006 (0.15) -
.208 (5.28) .228 (5.79)
ชม .003 (0.08) .040 (1.02)
เค .078 (1.98) -
- .078 (1.98)
เอ็น .063 (1.60) -
.156 (3.96) -
- .025 (0.64)
- .322 (8.18)

หมายเหตุ:
1. อินเทอร์เฟซนี้จะต้องเป็นไปตามข้อกำหนดเกจตามที่ระบุไว้ใน MIL-PRF-39012/26.

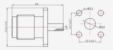
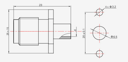
ทีเอ็นซี SERIES
  • TNC-KF3A
    TNC-KF3A
    แบบอย่าง ประเภทสายเคเบิล
    TNC-KF3A SYV-50-2-1,RG316
    TNC-KF5A SYV-50-3,RG142,SFCJ-50-3-51
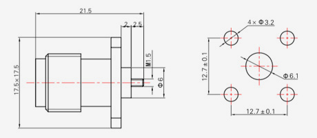
  • TNC-KF3A-1
    TNC-KF3A-1
    แบบอย่าง ประเภทสายเคเบิล
    TNC-KF3A-1 SYV-50-2-1,RG316
  • TNC-JB2
    TNC-JB2
    แบบอย่าง ประเภทสายเคเบิล
    TNC-JB2 SFT-50-2,670-086 Φ2.2
    TNC-JB3 SFT-50-3,670-141 Φ3.6
  • TNC-JWB2
    TNC-JWB2
    แบบอย่าง ประเภทสายเคเบิล
    TNC-JWB2 SFT-50-2,670-086 Φ2.2
    TNC-JWB3 SFT-50-3,670-141 Φ3.6
  • ทีเอ็นซี-KB2
    ทีเอ็นซี-KB2
    แบบอย่าง ประเภทสายเคเบิล
    ทีเอ็นซี-KB2 SFT-50-2,670-086 Φ2.2
    ทีเอ็นซี-KB3 SFT-50-3,670-141 Φ3.6
  • TNC-KFB2
    TNC-KFB2
    แบบอย่าง ประเภทสายเคเบิล
    TNC-KFB2 SFT-50-2,670-086 Φ2.2
    TNC-KFB3 SFT-50-3,670-141 Φ3.6
  • TNC-KFB2-1
    TNC-KFB2-1
    แบบอย่าง ประเภทสายเคเบิล
    TNC-KFB2-1 SFT-50-2,670-086 Φ2.2
    TNC-KFB3-1 SFT-50-3,670-141 Φ3.6
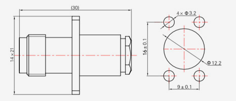
  • TNC-KFD2
    TNC-KFD2
    แบบอย่าง ล1
    เคเอฟดี2 27 3.5
    KFD3 22 2
  • ทีเอ็นซี-J3A
    ทีเอ็นซี-J3A
    แบบอย่าง ประเภทสายเคเบิล
    ทีเอ็นซี-J3A SYV-50-2-1,RG316
    ทีเอ็นซี-J5A SYV-50-3-4,RG142, SFCJ-50-3-51
    ทีเอ็นซี-J5AC
  • ทีเอ็นซี-เจ4
    ทีเอ็นซี-เจ4
    แบบอย่าง ประเภทสายเคเบิล
    ทีเอ็นซี-เจ4 SYV-50-2-2 31
    TNC-J5 SYV-50-3-4, SFCJ-50-3-51,RG316 31
    TNC-(K)5
    TNC-J5C
    ทีเอ็นซี-J7 SYV-50-5-1, SFCJ-50-5-51 36
    ทีเอ็นซี-J7C
    TNC-J10 SYV-50-7-1,SYV-50-7-2, SFCJ-50-7-51 36
    TNC-J10C
  • TNC-JW5
    TNC-JW5
    แบบอย่าง ประเภทสายเคเบิล
    TNC-JW5 SYV-50-3-4,SFCJ-50-3-51,RG142
    TNC-JW7 SYV-50-5-1,SFCJ-50-5-51
    TNC-JW10 SYV-50-7-2,SFCJ-50-7-51
  • TNC-JW5-1
    TNC-JW5-1
    แบบอย่าง ประเภทสายเคเบิล
    TNC-JW5-1 SYV-50-3-4,SFCJ-50-3-51,RG142
  • TNC-K5
    TNC-K5
    แบบอย่าง ประเภทสายเคเบิล
    TNC-K5 SYV-50-3-4, SFCJ-50-3-51,RG142 31
    ทีเอ็นซี-(เจ)5
    ทีเอ็นซี-K7 SYV-50-5-1, SFCJ-50-5-51 33
    TNC-K10 SYV-50-7-1, SYV-50-7-2,SFCJ-50-7-51 33
  • TNC-KFD1
    TNC-KFD1
  • TNC-KFD4
    TNC-KFD4

ให้อยู่ในการติดต่อ

[#ป้อนข้อมูล#]
ส่ง
เกี่ยวกับเรา
Ningbo Hanson Communication Technology Co. , Ltd.
Ningbo Hanson Communication Technology Co. , Ltd.
Ningbo Hanson Communication Technology Co., Ltd. is China ขั้วต่อ TNC Supplier and Custom ขั้วต่อ TNC Company. We are a manufacturer specializing in the production, processing, and trade of communication components, with more than 30 years of experience in RF coaxial connectors, adapters, and cable assemblies. ขณะนี้บริษัทได้พัฒนาโรงผลิตเครื่องจักร โรงชุบโลหะด้วยไฟฟ้า โรงประกอบ และกลุ่มซัพพลายเออร์ที่มั่นคงและเชื่อถือได้ วัตถุประสงค์ของบริษัทคือเพื่อให้ลูกค้าได้รับผลิตภัณฑ์คุณภาพสูง สินค้าหลัก คือตัวเชื่อมต่อโคแอกเซียล RF, อะแดปเตอร์, ชุดสายเคเบิลความถี่สูง และชุดสายเคเบิลอินเตอร์โมดูเลชั่นต่ำ นอกจากนี้บริษัทยังสามารถให้บริการสำหรับลูกค้าที่มีความต้องการเฉพาะเพื่อตอบสนองความต้องการพิเศษของลูกค้าสำหรับผลิตภัณฑ์ ผลิตภัณฑ์ของบริษัทมีการใช้กันอย่างแพร่หลายในการบินและอวกาศ สถานีฐานการสื่อสาร อุปกรณ์ทางการแพทย์ และสาขาเทคโนโลยีขั้นสูงอื่นๆ ในช่วงเวลาแห่งการปฏิรูปองค์กร นวัตกรรม การพัฒนา และการเติบโต บริษัทได้ริเริ่มที่จะเข้าร่วมระบบการจัดการคุณภาพระดับสากล ISO9001 และปรับปรุงระดับการจัดการอย่างต่อเนื่องเพื่อมอบผลิตภัณฑ์และบริการที่น่าพอใจมากขึ้นให้แก่ลูกค้าทั้งเก่าและใหม่
ข่าวล่าสุด
กำลังมองหาโอกาสทางธุรกิจอยู่ใช่ไหม?

ขอสายวันนี้